制造商型号: | LM48821TLX/NOPB |
制造商: | TI (德州仪器) |
产品类别: | 音频放大器 |
商品描述: | IC AMP CLASS AB STER 93MW 16USMD |
供货: | 货期 工作日(7-10天) |
渠道: | digikey |
服务: | 锐单发货及售后,顺丰快递,在线客服 |
客服: | |
提示: | 联系在线客服,获得更多LM48821TLX/NOPB价格库存等采购信息! |
TI(德州仪器) LM48821TLX/NOPB
图像仅供参考
请参阅产品规格
请参阅产品规格
LM48821TLX/NOPB 中文资料
数据手册PDF
LM48821TLX/NOPB 规格参数
属性
参数值
制造商型号
LM48821TLX/NOPB
制造商
TI(德州仪器)
商品描述
IC AMP CLASS AB STER 93MW 16USMD
包装
Tape & Reel (TR)
Alternate Packaging
系列
Boomer®
零件状态
Discontinued at Digi-Key
类型
Class AB
输出类型
Headphones, 2-Channel (Stereo)
不同负载时的最大输出功率 x 通道数
93mW x 1 @ 16Ohm
电压 - 电源
2V ~ 4V
特性
Depop, Differential Inputs, I²C, Mute, Shutdown, Volume Control
安装类型
Surface Mount
工作温度
-40°C ~ 85°C (TA)
供应商器件封装
16-uSMD
封装/外壳
16-WFBGA
LM48821TLX/NOPB 引脚图与封装图
LM48821TLX/NOPB引脚图
LM48821TLX/NOPB封装图
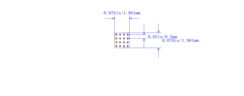
LM48821TLX/NOPB封装焊盘图
品牌其他型号
LM48821TLX/NOPB品牌厂家:TI
,所属分类: 音频放大器
,可在锐单商城现货采购LM48821TLX/NOPB、查询LM48821TLX/NOPB代理商; LM48821TLX/NOPB价格批发咨询客服;这里拥有
LM48821TLX/NOPB中文资料
、引脚图、Datasheet数据手册、pdf功能说明书、规格参数、现货库存、封装信息、产品选型手册,还可快速找到
LM48821TLX/NOPB替代型号
、
LM48821TLX/NOPB数据手册PDF。










