制造商型号: | MC1458N |
制造商: | ST (意法半导体) |
产品类别: | 运算放大器 |
商品描述: | IC OPAMP GP 2 CIRCUIT 8DIP |
供货: | 货期 工作日(7-10天) |
渠道: | 国内现货 digikey |
服务: | 锐单发货及售后,顺丰快递,在线客服 |
客服: | |
提示: | 联系在线客服,获得更多MC1458N价格库存等采购信息! |
ST(意法半导体) MC1458N
图像仅供参考
请参阅产品规格
请参阅产品规格
MC1458N 中文资料
数据手册PDF
MC1458N 规格参数
属性
参数值
制造商型号
MC1458N
制造商
ST(意法半导体)
商品描述
IC OPAMP GP 2 CIRCUIT 8DIP
包装
Tube
系列
-
零件状态
Obsolete
放大器类型
General Purpose
电路数
2
输出类型
-
压摆率
0.8V/µs
增益带宽积
1MHz
-3db 带宽
-
电流 - 输入偏置
30nA
电压 - 输入失调
1mV
电流 - 电源
2.3mA
电流 - 输出/通道
20mA
电压 - 电源,单/双(±)
5V ~ 30V, ±2.5V ~ 15V
工作温度
0°C ~ 70°C
安装类型
Through Hole
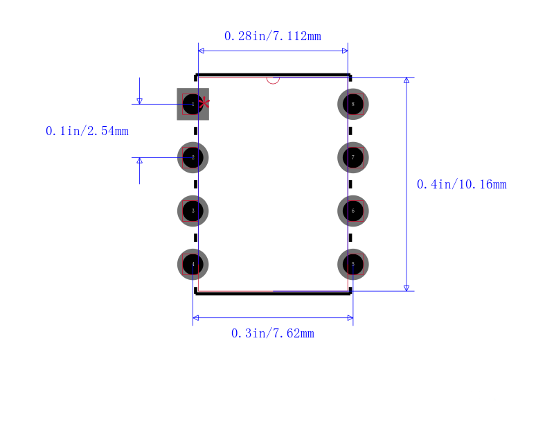
封装/外壳
8-DIP (0.300", 7.62mm)
供应商器件封装
8-DIP
MC1458N 引脚图与封装图
MC1458N引脚图
MC1458N封装图
MC1458N封装焊盘图
品牌其他型号
MC1458N品牌厂家:ST
,所属分类: 运算放大器
,可在锐单商城现货采购MC1458N、查询MC1458N代理商; MC1458N价格批发咨询客服;这里拥有
MC1458N中文资料
、引脚图、Datasheet数据手册、pdf功能说明书、规格参数、现货库存、封装信息、产品选型手册,还可快速找到
MC1458N替代型号
、
MC1458N数据手册PDF。





