制造商型号: | MAX976EUA |
制造商: | MAXIM (美信) |
产品类别: | 模拟比较器 |
商品描述: | IC COMPARATOR DUAL 8-UMAX |
供货: | 货期 工作日(7-10天) |
渠道: | 国内现货 digikey |
服务: | 锐单发货及售后,顺丰快递,在线客服 |
客服: | |
提示: | 联系在线客服,获得更多MAX976EUA价格库存等采购信息! |
MAXIM(美信) MAX976EUA
图像仅供参考
请参阅产品规格
请参阅产品规格
MAX976EUA 中文资料
数据手册PDF
MAX976EUA 规格参数
关键信息
制造商 Analog Devices Inc./Maxim Integrated
系列 -
包装 管件
产品状态 停产
技术类参数
元件数 2
输出类型 推挽式,满摆幅
电源电压范围 2.7V ~ 5.5V
电压-输入(Max) 2mV @ 5V
电流-输入偏置(Max) 0.075µA @ 5.5V
电流-输出(平均值) -
静态电流(Max) 650µA
CMRR,PSRR(平均值) 95dB CMRR,100dB PSRR
传播延迟(Max) 28ns
滞后 5mV
规格参数
工作温度 -40°C ~ 85°C
物理类型
类型 通用
其它
产品编号 MAX976
封装参数
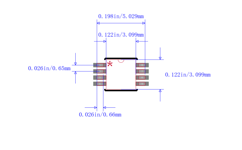
封装 8-TSSOP,8-MSOP(0.118",3.00mm 宽)
产品安装类型 表面贴装型
供应商器件封装 8-uMAX/uSOP
MAX976EUA 引脚图与封装图
MAX976EUA引脚图
MAX976EUA封装图
MAX976EUA封装焊盘图
品牌其他型号
MAX976EUA品牌厂家:MAXIM
,所属分类: 模拟比较器
,可在锐单商城现货采购MAX976EUA、查询MAX976EUA代理商; MAX976EUA价格批发咨询客服;这里拥有
MAX976EUA中文资料
、引脚图、Datasheet数据手册、pdf功能说明书、规格参数、现货库存、封装信息、产品选型手册,还可快速找到
MAX976EUA替代型号
、
MAX976EUA数据手册PDF。







