制造商型号: |  MAX9691EUA+T | 
制造商: |  MAXIM (美信) | 
产品类别: |  模拟比较器 | 
商品描述: |  IC COMP SNGL ECL 8UMAX | 
供货: |  货期 工作日(7-10天) | 
渠道: |     mouser     digikey     | 
服务: |  锐单发货及售后,顺丰快递,在线客服 | 
客服: |  |
提示: |  联系在线客服,获得更多MAX9691EUA+T价格库存等采购信息! | 
MAXIM(美信) MAX9691EUA+T
 
              图像仅供参考
              
请参阅产品规格   
请参阅产品规格
MAX9691EUA+T 中文资料
数据手册PDF
 MAX9691EUA+T 规格参数
关键信息
 制造商 Analog Devices Inc./Maxim Integrated
系列 -
包装 卷带(TR)
产品状态 在售
技术类参数
 元件数 1
输出类型 补充型,ECL
电源电压范围 -
电压-输入(Max) 6.5mV @ 5V
电流-输入偏置(Max) 20µA @ 5V
电流-输出(平均值) 50mA
静态电流(Max) 26mA
CMRR,PSRR(平均值) 80dB CMRR,60dB PSRR
传播延迟(Max) 1.8ns
滞后 -
规格参数
 工作温度 -40°C ~ 85°C
物理类型
 类型 带锁销
其它
 产品编号 MAX9691
封装参数
 封装 8-TSSOP,8-MSOP(0.118",3.00mm 宽)
产品安装类型 表面贴装型
供应商器件封装 8-uMAX/uSOP
MAX9691EUA+T 引脚图与封装图
  MAX9691EUA+T引脚图
  MAX9691EUA+T封装图
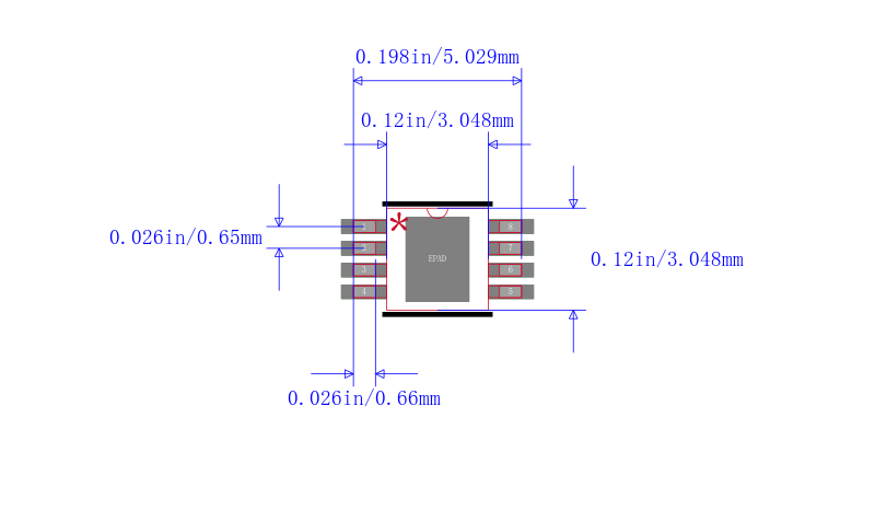
  MAX9691EUA+T封装焊盘图
库存: 0
货期: |  8周-10周(咨询客服) | 
最小起订: |  2500 个 | 
整装: |  ¥10 | 
单价:¥95.759226 总价:¥239398.07  | |
价格(含增值税)
| 数量 | 单价 | 总价 | 
|---|---|---|
| 2500 | 95.759226 | 239398.07 | 
品牌其他型号
    MAX9691EUA+T品牌厂家:MAXIM
     ,所属分类: 模拟比较器
    ,可在锐单商城现货采购MAX9691EUA+T、查询MAX9691EUA+T代理商; MAX9691EUA+T价格批发咨询客服;这里拥有 
    MAX9691EUA+T中文资料
    、引脚图、Datasheet数据手册、pdf功能说明书、规格参数、现货库存、封装信息、产品选型手册,还可快速找到
     MAX9691EUA+T替代型号
    、
    MAX9691EUA+T数据手册PDF。
  
    




