制造商型号: |  DS1340U-33+ | 
制造商: |  MAXIM (美信) | 
产品类别: |  实时时钟芯片 | 
商品描述: |  IC RTC CLK/CALENDAR I2C 8-USOP | 
供货: |  货期 工作日(7-10天) | 
渠道: |  自营         mouser     digikey     | 
服务: |  锐单发货及售后,顺丰快递,在线客服 | 
客服: |  |
提示: |  联系在线客服,获得更多DS1340U-33+价格库存等采购信息! | 
MAXIM(美信) DS1340U-33+
 
              图像仅供参考
              
请参阅产品规格   
请参阅产品规格
DS1340U-33+ 中文资料
数据手册PDF
 DS1340U-33+ 规格参数
关键信息
 制造商 Analog Devices Inc./Maxim Integrated
系列 -
包装 管件
产品状态 在售
技术类参数
 Ruidan可编程 未验证
电源电压 2.97V ~ 5.5V
电压-供电,电池 1.3V ~ 5.5V
电流-计时(Max) 150µA @ 5.5V
规格参数
 特性 闰年,涓流充电器
工作温度 -40°C ~ 85°C
物理类型
 类型 时钟/日历
其它
 存储容量 -
时间格式 HH:MM:SS(24 小时)
日期格式 YY-MM-DD-dd
接口 I²C,2 线串口
产品编号 DS1340
封装参数
 产品安装类型 表面贴装型
封装 8-TSSOP,8-MSOP(0.118",3.00mm 宽)
供应商器件封装 8-uMAX/uSOP
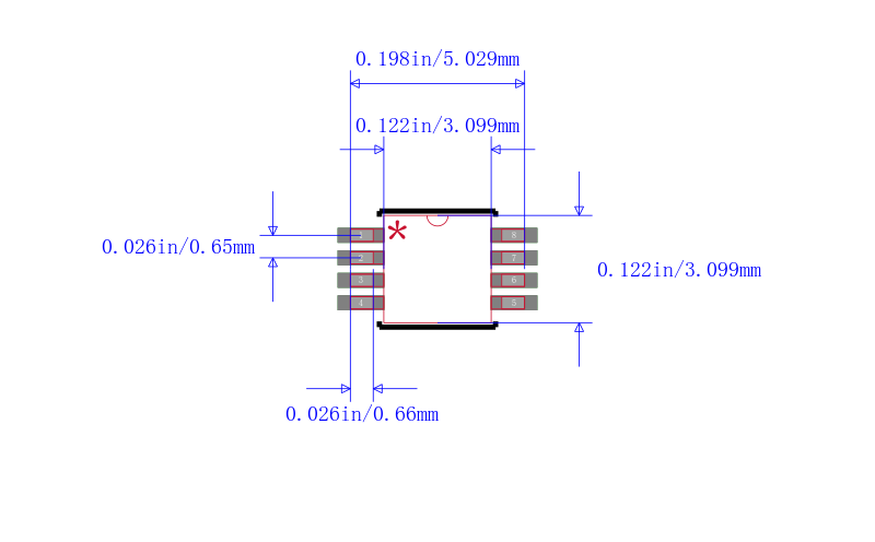
DS1340U-33+ 引脚图与封装图
  DS1340U-33+引脚图
  DS1340U-33+封装图
  DS1340U-33+封装焊盘图
品牌其他型号
    DS1340U-33+品牌厂家:MAXIM
     ,所属分类: 实时时钟芯片
    ,可在锐单商城现货采购DS1340U-33+、查询DS1340U-33+代理商; DS1340U-33+价格批发咨询客服;这里拥有 
    DS1340U-33+中文资料
    、引脚图、Datasheet数据手册、pdf功能说明书、规格参数、现货库存、封装信息、产品选型手册,还可快速找到
     DS1340U-33+替代型号
    、
    DS1340U-33+数据手册PDF。
  
    


