制造商型号: | MAX4294ESD+ |
制造商: | MAXIM (美信) |
产品类别: | 运算放大器 |
商品描述: | IC OPAMP GP 4 CIRCUIT 14SOIC |
供货: | 货期 工作日(7-10天) |
渠道: | 国内现货 mouser digikey |
服务: | 锐单发货及售后,顺丰快递,在线客服 |
客服: | |
提示: | 联系在线客服,获得更多MAX4294ESD+价格库存等采购信息! |
MAXIM(美信) MAX4294ESD+
图像仅供参考
请参阅产品规格
请参阅产品规格
MAX4294ESD+ 中文资料
数据手册PDF
MAX4294ESD+ 规格参数
关键信息
制造商 Maxim Integrated
商标 Maxim Integrated
产品 Operational Amplifiers
技术类参数
通道数量 4 Channel
电源电压-(Max) 5.5 V, +/- 2.75 V
各通道的输出电流 20 mA
转换速率 (SR) 200 mV/us
输入差分电压 1.2 mV
电源电压-(Min) 1.8 V, +/- 900 mV
输入偏流 60 nA
电源电流(Max) 100 uA
CMRR - 共模抑制比 57 dB
输入电压噪声密度 70 nV/sqrt Hz
输入噪声电流密度 0.05 pA/sqrt Hz
双重电源电压(Max) +/- 2.75 V
双重电源电压(Min) +/- 0.9 V
工作电源电压 1.8 V to 5.5 V, +/- 0.9 V to +/- 2.75 V
耗散功率 667 mW
电源抑制比 77 dB
技术 BiCMOS
电压增益 130 dB
规格参数
GBP-增益带宽产品 500 kHz
关闭 No Shutdown
放大器类型 Micropower Amplifier
外形参数
高度 1.5 mm
长度 8.75 mm
宽度 4 mm
物理类型
产品种类 运算放大器 - 运放
安装风格 SMD/SMT
产品类型 Op Amps - Operational Amplifiers
电源类型 Single, Dual
零件号别名 MAX4294
MAX4294ESD+ 引脚图与封装图
MAX4294ESD+引脚图
MAX4294ESD+封装图
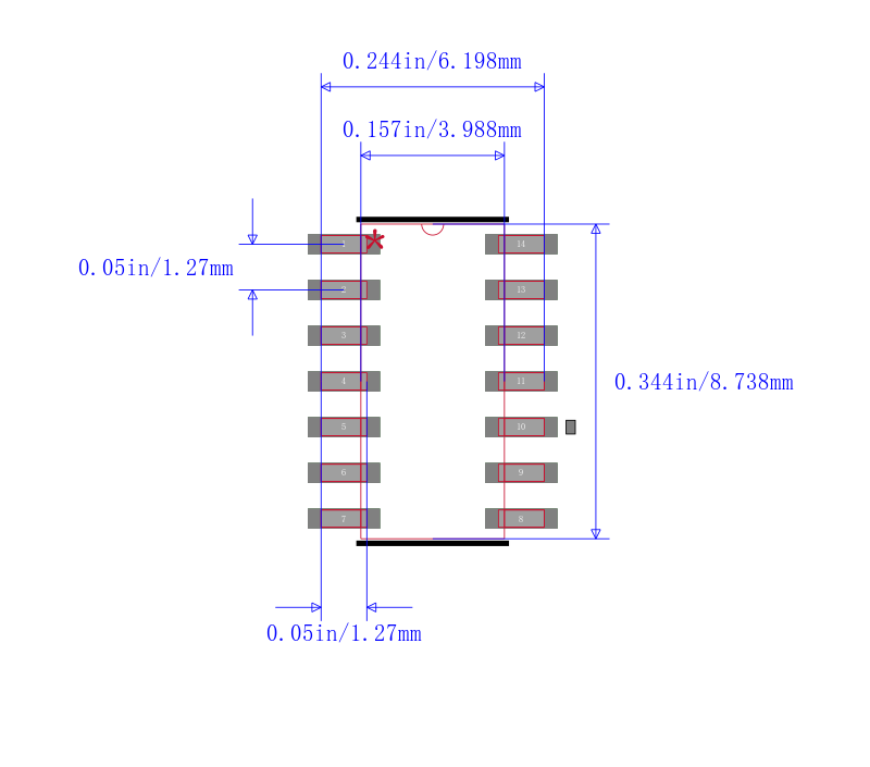
MAX4294ESD+封装焊盘图
品牌其他型号
MAX4294ESD+品牌厂家:MAXIM
,所属分类: 运算放大器
,可在锐单商城现货采购MAX4294ESD+、查询MAX4294ESD+代理商; MAX4294ESD+价格批发咨询客服;这里拥有
MAX4294ESD+中文资料
、引脚图、Datasheet数据手册、pdf功能说明书、规格参数、现货库存、封装信息、产品选型手册,还可快速找到
MAX4294ESD+替代型号
、
MAX4294ESD+数据手册PDF。






