制造商型号: | DS1315EN-5+ |
制造商: | MAXIM (美信) |
产品类别: | 实时时钟芯片 |
商品描述: | IC RTC PHANTOM PAR 20-TSSOP |
供货: | 货期 工作日(7-10天) |
渠道: | digikey |
服务: | 锐单发货及售后,顺丰快递,在线客服 |
客服: | |
提示: | 联系在线客服,获得更多DS1315EN-5+价格库存等采购信息! |
MAXIM(美信) DS1315EN-5+
图像仅供参考
请参阅产品规格
请参阅产品规格
DS1315EN-5+ 中文资料
数据手册PDF
DS1315EN-5+ 规格参数
关键信息
制造商 Maxim Integrated
商标 Maxim Integrated
技术类参数
RTC 总线接口 Phantom Clock
RTC 存储容量 8 B
电源电压-(Max) 5.5 V
电源电压-(Min) 4.5 V
规格参数
日期格式 YY-MM-DD-dd
时间格式 HH:MM:SS:hh
电池备用开关 Backup Switching
功能 Calendar, Clock
物理类型
产品种类 实时时钟
安装风格 SMD/SMT
产品类型 Real Time Clocks
零件号别名 DS1315EN 90-1315E+N00
单位重量 191 mg
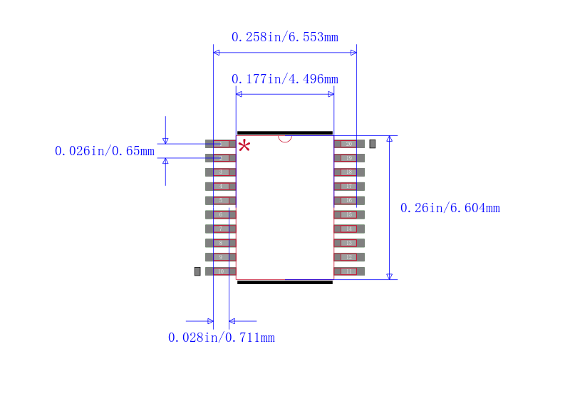
DS1315EN-5+ 引脚图与封装图
DS1315EN-5+引脚图
DS1315EN-5+封装图
DS1315EN-5+封装焊盘图
品牌其他型号
DS1315EN-5+品牌厂家:MAXIM
,所属分类: 实时时钟芯片
,可在锐单商城现货采购DS1315EN-5+、查询DS1315EN-5+代理商; DS1315EN-5+价格批发咨询客服;这里拥有
DS1315EN-5+中文资料
、引脚图、Datasheet数据手册、pdf功能说明书、规格参数、现货库存、封装信息、产品选型手册,还可快速找到
DS1315EN-5+替代型号
、
DS1315EN-5+数据手册PDF。








