制造商型号: |  IMX9T110 | 
制造商: |  ROHM (罗姆) | 
产品类别: |  双极晶体管预偏置 | 
商品描述: |  TRANS 2NPN 20V 0.5A 6SMT | 
供货: |  货期 工作日(7-10天) | 
渠道: |    digikey     | 
服务: |  锐单发货及售后,顺丰快递,在线客服 | 
客服: |  |
提示: |  联系在线客服,获得更多IMX9T110价格库存等采购信息! | 
ROHM(罗姆) IMX9T110
 
              图像仅供参考
              
请参阅产品规格   
请参阅产品规格
IMX9T110 中文资料
数据手册PDF
 IMX9T110 规格参数
关键信息
 制造商 ROHM Semiconductor
商标 ROHM Semiconductor
技术类参数
 晶体管极性 NPN
配置 Dual
击穿电压(集电极-发射极) 20 V
集电极—基极电压 25 V
发射极 - 基极电压 12 V
饱和电压 180 mV
最大直流电集电极电流 500 mA
耗散功率 300 mW
增益带宽产品 350 MHz
集电极连续电流 500 mA
直流集电极 560
直流电流增益(Max) 2700
技术 Si
外形参数
 高度 1.1 mm
长度 2.9 mm
宽度 1.6 mm
物理类型
 产品种类 双极晶体管 - 双极结型晶体管(BJT)
安装风格 SMD/SMT
产品类型 BJTs - Bipolar Transistors
零件号别名 IMX9
单位重量 52.822 mg
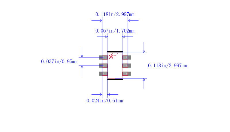
IMX9T110 引脚图与封装图
  IMX9T110引脚图
  IMX9T110封装图
  IMX9T110封装焊盘图
库存: 0
价格(含增值税)
| 数量 | 单价 | 总价 | 
|---|---|---|
| 1 | 0.342833 | 0.34 | 
| 10 | 0.316462 | 3.16 | 
| 30 | 0.311181 | 9.34 | 
| 100 | 0.29536 | 29.54 | 
品牌其他型号
    IMX9T110品牌厂家:ROHM
     ,所属分类: 双极晶体管预偏置
    ,可在锐单商城现货采购IMX9T110、查询IMX9T110代理商; IMX9T110价格批发咨询客服;这里拥有 
    IMX9T110中文资料
    、引脚图、Datasheet数据手册、pdf功能说明书、规格参数、现货库存、封装信息、产品选型手册,还可快速找到
     IMX9T110替代型号
    、
    IMX9T110数据手册PDF。
  
    






