制造商型号: | MAX4210EEUA |
制造商: | MAXIM (美信) |
产品类别: | 电压控制器 |
商品描述: | IC CURRENT MONITOR 1.5% 8MSOP |
供货: | 货期 工作日(7-10天) |
渠道: | digikey |
服务: | 锐单发货及售后,顺丰快递,在线客服 |
客服: | |
提示: | 联系在线客服,获得更多MAX4210EEUA价格库存等采购信息! |
MAXIM(美信) MAX4210EEUA
图像仅供参考
请参阅产品规格
请参阅产品规格
MAX4210EEUA 中文资料
数据手册PDF
MAX4210EEUA 规格参数
关键信息
制造商 Analog Devices Inc./Maxim Integrated
系列 -
包装 管件
产品状态 停产
技术类参数
感应方法 高端
精度 ±0.5%
电压-输入 4V ~ 28V
输出电流 -
规格参数
功能 电流监控器
工作温度 -40°C ~ 85°C
其它
产品编号 MAX4210
封装参数
产品安装类型 表面贴装型
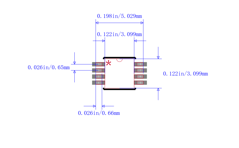
封装 8-TSSOP,8-MSOP(0.118",3.00mm 宽)
供应商器件封装 8-uMAX/uSOP
MAX4210EEUA 引脚图与封装图
MAX4210EEUA引脚图
MAX4210EEUA封装图
MAX4210EEUA封装焊盘图
品牌其他型号
MAX4210EEUA品牌厂家:MAXIM
,所属分类: 电压控制器
,可在锐单商城现货采购MAX4210EEUA、查询MAX4210EEUA代理商; MAX4210EEUA价格批发咨询客服;这里拥有
MAX4210EEUA中文资料
、引脚图、Datasheet数据手册、pdf功能说明书、规格参数、现货库存、封装信息、产品选型手册,还可快速找到
MAX4210EEUA替代型号
、
MAX4210EEUA数据手册PDF。






