制造商型号: | BD9326EFJ-LBE2 |
制造商: | ROHM (罗姆) |
产品类别: | 开关稳压器 |
商品描述: | IC REG BUCK ADJ 3A 8HTSOP-J |
供货: | 货期 工作日(7-10天) |
渠道: | mouser digikey |
服务: | 锐单发货及售后,顺丰快递,在线客服 |
客服: | |
提示: | 联系在线客服,获得更多BD9326EFJ-LBE2价格库存等采购信息! |
ROHM(罗姆) BD9326EFJ-LBE2
图像仅供参考
请参阅产品规格
请参阅产品规格
BD9326EFJ-LBE2 中文资料
数据手册PDF
BD9326EFJ-LBE2 规格参数
关键信息
制造商 Rohm Semiconductor
系列 -
包装 卷带(TR)
产品状态 在售
技术类参数
输出类型 可调式
输出数 1
电压-输入(Min) 4.75V
电压-输入(Max) 18V
输出电压(Min) 0.9V
电压输出(Max) 18V(开关)
输出电流 3A
开关频率 380kHz
同步整流器 无
规格参数
功能 降压
工作温度 -40°C ~ 85°C(TA)
其它
输出配置 正
拓扑 降压
产品编号 BD9326
封装参数
产品安装类型 表面贴装型
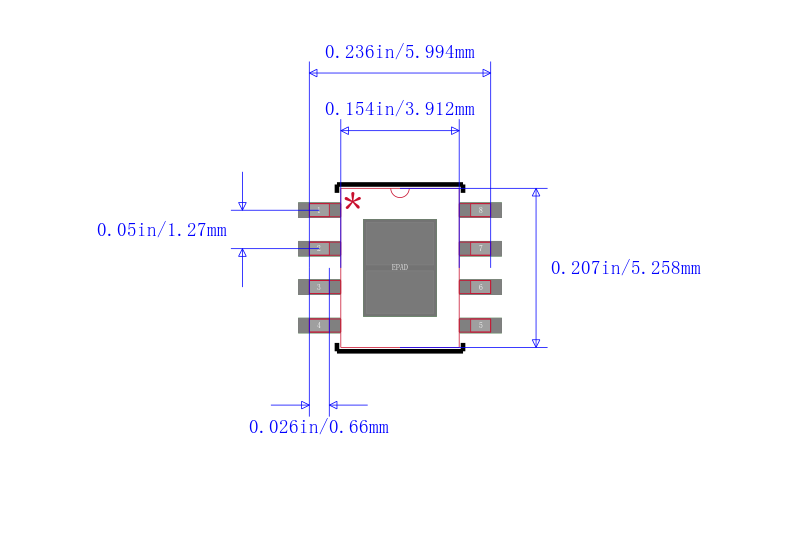
封装 8-SOIC(0.154",3.90mm 宽)裸露焊盘
供应商器件封装 8-HTSOP-J
BD9326EFJ-LBE2 引脚图与封装图
BD9326EFJ-LBE2引脚图
BD9326EFJ-LBE2封装图
BD9326EFJ-LBE2封装焊盘图
品牌其他型号
BD9326EFJ-LBE2品牌厂家:ROHM
,所属分类: 开关稳压器
,可在锐单商城现货采购BD9326EFJ-LBE2、查询BD9326EFJ-LBE2代理商; BD9326EFJ-LBE2价格批发咨询客服;这里拥有
BD9326EFJ-LBE2中文资料
、引脚图、Datasheet数据手册、pdf功能说明书、规格参数、现货库存、封装信息、产品选型手册,还可快速找到
BD9326EFJ-LBE2替代型号
、
BD9326EFJ-LBE2数据手册PDF。







