制造商型号: | MAX6888FETE+ |
制造商: | MAXIM (美信) |
产品类别: | 监控芯片 |
商品描述: | IC SUPERVISOR 4 CHANNEL 16TQFN |
供货: | 货期 工作日(7-10天) |
渠道: | digikey |
服务: | 锐单发货及售后,顺丰快递,在线客服 |
客服: | |
提示: | 联系在线客服,获得更多MAX6888FETE+价格库存等采购信息! |
MAXIM(美信) MAX6888FETE+
图像仅供参考
请参阅产品规格
请参阅产品规格
MAX6888FETE+ 中文资料
数据手册PDF
MAX6888FETE+ 规格参数
关键信息
制造商 Analog Devices Inc./Maxim Integrated
系列 -
包装 管件
产品状态 停产
技术类参数
Ruidan可编程 未验证
监控电压数 4
阈值电压 1.5V,2.5V,3.3V,可调
输出 开路漏极或开路集电极
复位 低有效
复位超时 最小为 180ms
规格参数
工作温度 -40°C ~ 85°C(TA)
物理类型
类型 多压监控器
其它
产品编号 MAX6888
封装参数
产品安装类型 表面贴装型
封装 16-WQFN 裸露焊盘
供应商器件封装 16-TQFN(5x5)
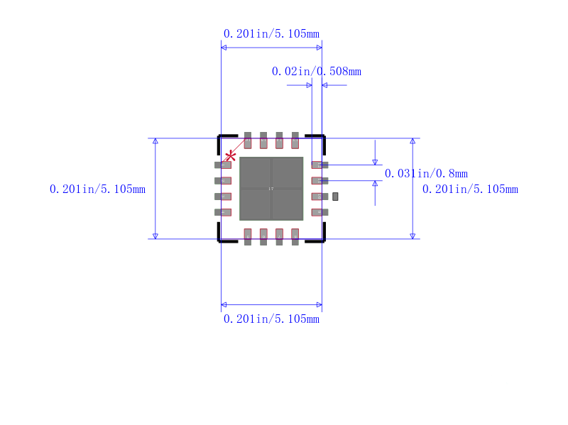
MAX6888FETE+ 引脚图与封装图
MAX6888FETE+封装图
MAX6888FETE+封装焊盘图
品牌其他型号
MAX6888FETE+品牌厂家:MAXIM
,所属分类: 监控芯片
,可在锐单商城现货采购MAX6888FETE+、查询MAX6888FETE+代理商; MAX6888FETE+价格批发咨询客服;这里拥有
MAX6888FETE+中文资料
、引脚图、Datasheet数据手册、pdf功能说明书、规格参数、现货库存、封装信息、产品选型手册,还可快速找到
MAX6888FETE+替代型号
、
MAX6888FETE+数据手册PDF。






