制造商型号: |  PS501-I/SS | 
制造商: |  MICROCHIP (微芯) | 
产品类别: |  电池管理芯片 | 
商品描述: |  IC FIELD REPROG BATT MGR 28SSOP | 
供货: |  货期 工作日(7-10天) | 
渠道: |   国内现货       digikey     | 
服务: |  锐单发货及售后,顺丰快递,在线客服 | 
客服: |  |
提示: |  联系在线客服,获得更多PS501-I/SS价格库存等采购信息! | 
MICROCHIP(微芯) PS501-I/SS
 
              图像仅供参考
              
请参阅产品规格   
请参阅产品规格
PS501-I/SS 中文资料
数据手册PDF
 PS501-I/SS 规格参数
关键信息
 制造商 Microchip Technology
系列 -
包装 管件
产品状态 停产
技术类参数
 充电-电流 -
充电电流-(Max) -
电池组电压 -
电源电压(Max) 18V
规格参数
 电池化学成份 锂离子/聚合物
电池数 2 ~ 4
可编程特性 -
故障保护 -
工作温度 -20°C ~ 85°C(TA)
其它
 接口 SMBus
产品编号 PS501
封装参数
 产品安装类型 表面贴装型
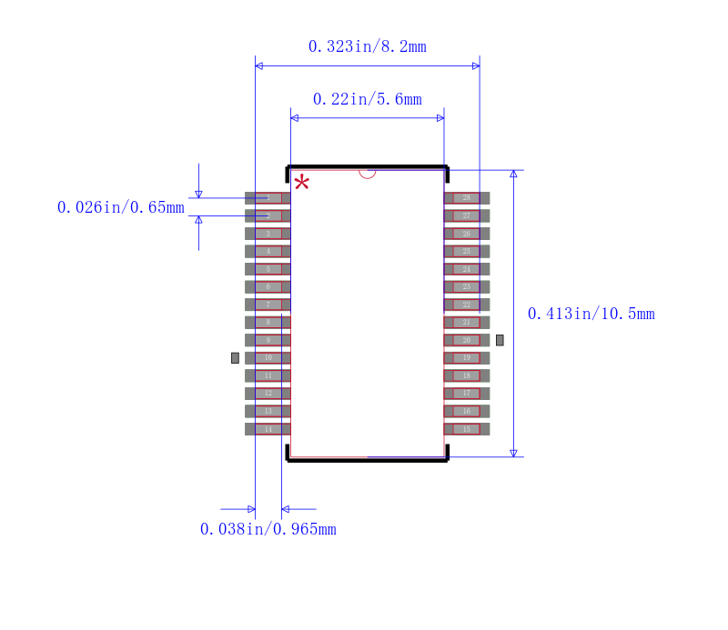
封装 28-SSOP(0.209",5.30mm 宽)
供应商器件封装 28-SSOP
PS501-I/SS 引脚图与封装图
  PS501-I/SS引脚图
  PS501-I/SS封装图
  PS501-I/SS封装焊盘图
品牌其他型号
    PS501-I/SS品牌厂家:MICROCHIP
     ,所属分类: 电池管理芯片
    ,可在锐单商城现货采购PS501-I/SS、查询PS501-I/SS代理商; PS501-I/SS价格批发咨询客服;这里拥有 
    PS501-I/SS中文资料
    、引脚图、Datasheet数据手册、pdf功能说明书、规格参数、现货库存、封装信息、产品选型手册,还可快速找到
     PS501-I/SS替代型号
    、
    PS501-I/SS数据手册PDF。
  
    









