制造商型号: | TL431ILPRM |
制造商: | ON (安森美) |
产品类别: | 基准电压芯片 |
商品描述: | IC VREF SHUNT 36V 2.2% TO92-3 |
供货: | 货期 工作日(7-10天) |
渠道: | 国内现货 digikey |
服务: | 锐单发货及售后,顺丰快递,在线客服 |
客服: | |
提示: | 联系在线客服,获得更多TL431ILPRM价格库存等采购信息! |
ON(安森美) TL431ILPRM
图像仅供参考
请参阅产品规格
请参阅产品规格
TL431ILPRM 中文资料
数据手册PDF
TL431ILPRM 规格参数
关键信息
制造商 onsemi
系列 -
包装 带盒(TB)
产品状态 停产
技术类参数
输出类型 可调式
输出电压(Min) 2.495V
电压输出(Max) 36 V
输出电流 100 mA
容差 ±2.2%
准确性 -
噪声-10Hz至10Hz -
电压-输入 -
供电-电流 -
电流-阴极 1 mA
规格参数
温度等级 标准为 50ppm/°C
工作温度 -40°C ~ 85°C(TA)
其它
参考类型 分流器
产品编号 TL431
封装参数
产品安装类型 通孔
封装 TO-226-3,TO-92-3(TO-226AA)成形引线
供应商器件封装 TO-92-3
TL431ILPRM 引脚图与封装图
TL431ILPRM引脚图
TL431ILPRM封装图
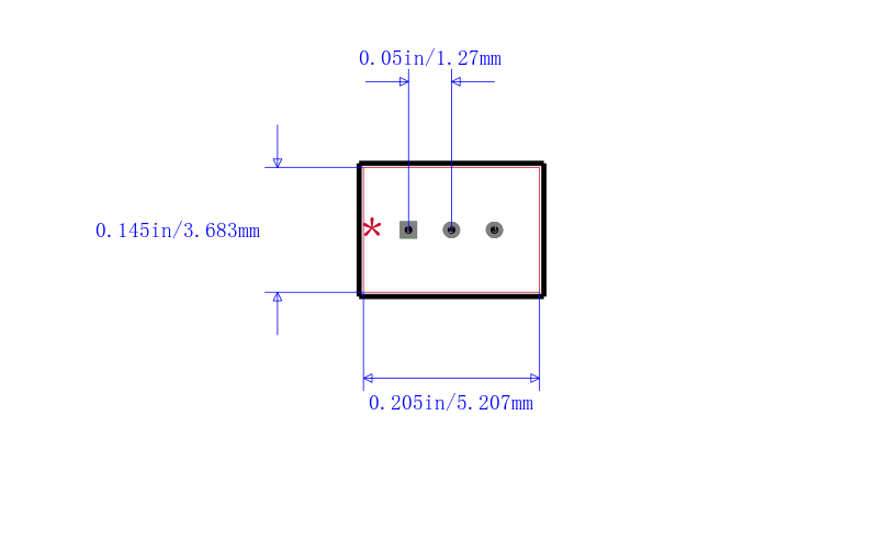
TL431ILPRM封装焊盘图
品牌其他型号
TL431ILPRM品牌厂家:ON
,所属分类: 基准电压芯片
,可在锐单商城现货采购TL431ILPRM、查询TL431ILPRM代理商; TL431ILPRM价格批发咨询客服;这里拥有
TL431ILPRM中文资料
、引脚图、Datasheet数据手册、pdf功能说明书、规格参数、现货库存、封装信息、产品选型手册,还可快速找到
TL431ILPRM替代型号
、
TL431ILPRM数据手册PDF。





