制造商型号: |  MAX16915AUB/V+ | 
制造商: |  MAXIM (美信) | 
产品类别: |  电池管理IC | 
商品描述: |  IC CTRLR IDEAL DIODE 10UMAX | 
供货: |  货期 工作日(7-10天) | 
渠道: |   国内现货       digikey     | 
服务: |  锐单发货及售后,顺丰快递,在线客服 | 
客服: |  |
提示: |  联系在线客服,获得更多MAX16915AUB/V+价格库存等采购信息! | 
MAXIM(美信) MAX16915AUB/V+
 
              图像仅供参考
              
请参阅产品规格   
请参阅产品规格
MAX16915AUB/V+ 中文资料
数据手册PDF
 MAX16915AUB/V+ 规格参数
关键信息
 制造商 Analog Devices Inc./Maxim Integrated
系列 Automotive, AEC-Q100
包装 管件
产品状态 停产
规格参数
 功能 电池保护
电池化学成份 -
电池数 -
故障保护 过压,电池反向
工作温度 -40°C ~ 125°C(TA)
其它
 接口 -
产品编号 MAX16915
封装参数
 产品安装类型 表面贴装型
封装 10-TFSOP,10-MSOP(0.118",3.00mm 宽)
供应商器件封装 10-uMAX/uSOP
MAX16915AUB/V+ 引脚图与封装图
  MAX16915AUB/V+封装图
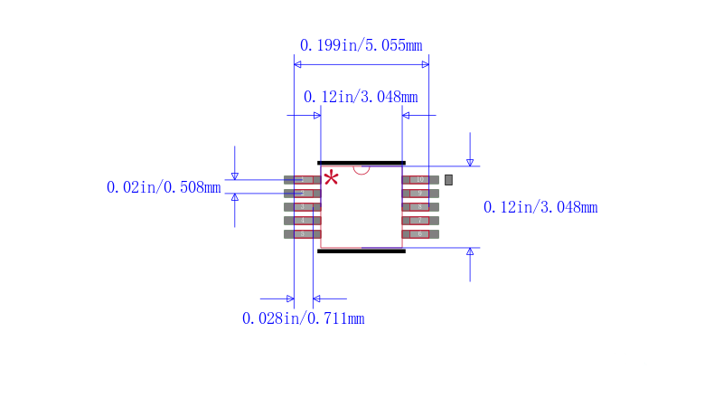
  MAX16915AUB/V+封装焊盘图
品牌其他型号
    MAX16915AUB/V+品牌厂家:MAXIM
     ,所属分类: 电池管理IC
    ,可在锐单商城现货采购MAX16915AUB/V+、查询MAX16915AUB/V+代理商; MAX16915AUB/V+价格批发咨询客服;这里拥有 
    MAX16915AUB/V+中文资料
    、引脚图、Datasheet数据手册、pdf功能说明书、规格参数、现货库存、封装信息、产品选型手册,还可快速找到
     MAX16915AUB/V+替代型号
    、
    MAX16915AUB/V+数据手册PDF。
  
    





