制造商型号: |  MAX6790TB+T | 
制造商: |  MAXIM (美信) | 
产品类别: |  电池管理IC | 
商品描述: |  IC BATT MON QUAD 5% 10TDFN | 
供货: |  货期 工作日(7-10天) | 
渠道: |    digikey     | 
服务: |  锐单发货及售后,顺丰快递,在线客服 | 
客服: |  |
提示: |  联系在线客服,获得更多MAX6790TB+T价格库存等采购信息! | 
MAXIM(美信) MAX6790TB+T
 
              图像仅供参考
              
请参阅产品规格   
请参阅产品规格
MAX6790TB+T 中文资料
数据手册PDF
 MAX6790TB+T 规格参数
关键信息
 制造商 Analog Devices Inc./Maxim Integrated
系列 -
包装 卷带(TR)
产品状态 停产
规格参数
 功能 电池监控器
电池化学成份 多化学
电池数 2
故障保护 电池反向
工作温度 -40°C ~ 85°C(TA)
其它
 接口 -
产品编号 MAX6790
封装参数
 产品安装类型 表面贴装型
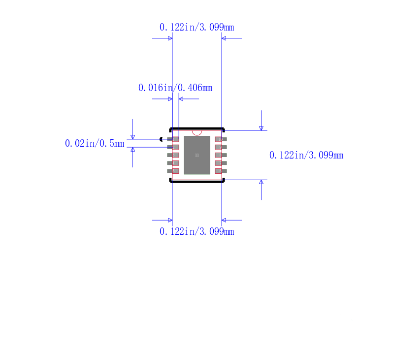
封装 10-WFDFN 裸露焊盘
供应商器件封装 10-TDFN(3x3)
MAX6790TB+T 引脚图与封装图
  MAX6790TB+T封装图
  MAX6790TB+T封装焊盘图
品牌其他型号
    MAX6790TB+T品牌厂家:MAXIM
     ,所属分类: 电池管理IC
    ,可在锐单商城现货采购MAX6790TB+T、查询MAX6790TB+T代理商; MAX6790TB+T价格批发咨询客服;这里拥有 
    MAX6790TB+T中文资料
    、引脚图、Datasheet数据手册、pdf功能说明书、规格参数、现货库存、封装信息、产品选型手册,还可快速找到
     MAX6790TB+T替代型号
    、
    MAX6790TB+T数据手册PDF。
  
    





