制造商型号: | TND315S-TL-2H |
制造商: | ON (安森美) |
产品类别: | 点火芯片 |
商品描述: | IC DVR EXPD 25V 1A SOP8 |
供货: | 货期 工作日(7-10天) |
渠道: | 国内现货 digikey |
服务: | 锐单发货及售后,顺丰快递,在线客服 |
客服: | |
提示: | 联系在线客服,获得更多TND315S-TL-2H价格库存等采购信息! |
ON(安森美) TND315S-TL-2H
图像仅供参考
请参阅产品规格
请参阅产品规格
TND315S-TL-2H 中文资料
数据手册PDF
TND315S-TL-2H 规格参数
属性
参数值
制造商型号
TND315S-TL-2H
制造商
ON(安森美)
商品描述
IC DVR EXPD 25V 1A SOP8
包装
Tape & Reel (TR)
系列
-
零件状态
Obsolete
输出配置
Half Bridge (2)
应用
DC Motors, General Purpose
接口
Logic
负载类型
Inductive
技术
Power MOSFET
导通电阻(典型值)
6Ohm LS, 8Ohm HS
电流 - 输出/通道
-
电流 - 峰值输出
1A
电压 - 电源
4.5V ~ 25V
电压 - 负载
4.5V ~ 25V
工作温度
-55°C ~ 150°C (TJ)
特性
-
故障保护
-
安装类型
Surface Mount
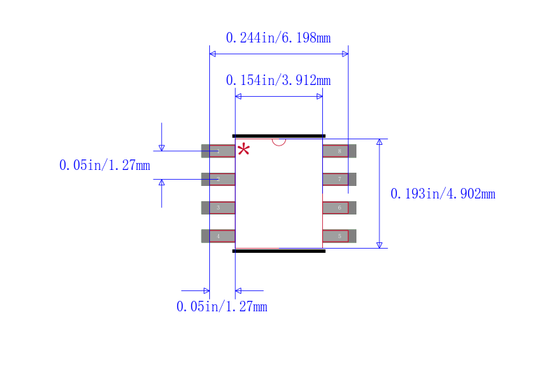
封装/外壳
8-SOIC (0.154", 3.90mm Width)
供应商器件封装
8-SOIC
TND315S-TL-2H 引脚图与封装图
TND315S-TL-2H封装图
TND315S-TL-2H封装焊盘图
品牌其他型号
TND315S-TL-2H品牌厂家:ON
,所属分类: 点火芯片
,可在锐单商城现货采购TND315S-TL-2H、查询TND315S-TL-2H代理商; TND315S-TL-2H价格批发咨询客服;这里拥有
TND315S-TL-2H中文资料
、引脚图、Datasheet数据手册、pdf功能说明书、规格参数、现货库存、封装信息、产品选型手册,还可快速找到
TND315S-TL-2H替代型号
、
TND315S-TL-2H数据手册PDF。








