制造商型号: | DS3991Z+PP |
制造商: | MAXIM (美信) |
产品类别: | 照明驱动器 |
商品描述: | IC CCFL CNTRL 80KHZ 16SOIC |
供货: | 货期 工作日(7-10天) |
渠道: | digikey |
服务: | 锐单发货及售后,顺丰快递,在线客服 |
客服: | |
提示: | 联系在线客服,获得更多DS3991Z+PP价格库存等采购信息! |
MAXIM(美信) DS3991Z+PP
图像仅供参考
请参阅产品规格
请参阅产品规格
DS3991Z+PP 中文资料
数据手册PDF
DS3991Z+PP 规格参数
关键信息
制造商 Analog Devices Inc./Maxim Integrated
系列 -
包装 管件
产品状态 停产
技术类参数
频率 40kHz ~ 80kHz
电源电压 4.5V ~ 5.5V
供电-电流 5 mA
电流 - 灌/拉输出 -
规格参数
工作温度 -40°C ~ 85°C
物理类型
类型 CCFL 控制器
其它
调光 是
产品编号 DS3991
封装参数
产品安装类型 表面贴装型
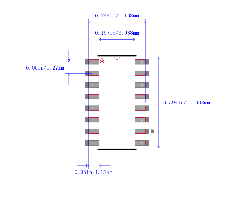
封装 16-SOIC(0.154",3.90mm 宽)
供应商器件封装 16-SOIC
DS3991Z+PP 引脚图与封装图
DS3991Z+PP封装图
DS3991Z+PP封装焊盘图
品牌其他型号
DS3991Z+PP品牌厂家:MAXIM
,所属分类: 照明驱动器
,可在锐单商城现货采购DS3991Z+PP、查询DS3991Z+PP代理商; DS3991Z+PP价格批发咨询客服;这里拥有
DS3991Z+PP中文资料
、引脚图、Datasheet数据手册、pdf功能说明书、规格参数、现货库存、封装信息、产品选型手册,还可快速找到
DS3991Z+PP替代型号
、
DS3991Z+PP数据手册PDF。





