制造商型号: | 74FCT162501CTPACT |
制造商: | TI (德州仪器) |
产品类别: | 半导体-逻辑集成电路-通用总线函数 |
商品描述: | IC UNIV BUS TXRX 18BIT 56TSSOP |
供货: | 货期 工作日(7-10天) |
渠道: | digikey |
服务: | 锐单发货及售后,顺丰快递,在线客服 |
客服: | |
提示: | 联系在线客服,获得更多74FCT162501CTPACT价格库存等采购信息! |
TI(德州仪器) 74FCT162501CTPACT
图像仅供参考
请参阅产品规格
请参阅产品规格
74FCT162501CTPACT 中文资料
数据手册PDF
74FCT162501CTPACT 规格参数
属性
参数值
制造商型号
74FCT162501CTPACT
制造商
TI(德州仪器)
商品描述
IC UNIV BUS TXRX 18BIT 56TSSOP
包装
Tape & Reel (TR)
系列
74FCT
零件状态
Obsolete
逻辑类型
Universal Bus Transceiver
电路数
18-Bit
电流 - 输出高,低
24mA, 24mA
电压 - 电源
4.5V ~ 5.5V
工作温度
-40°C ~ 85°C
安装类型
Surface Mount
封装/外壳
56-TFSOP (0.240", 6.10mm Width)
供应商器件封装
56-TSSOP
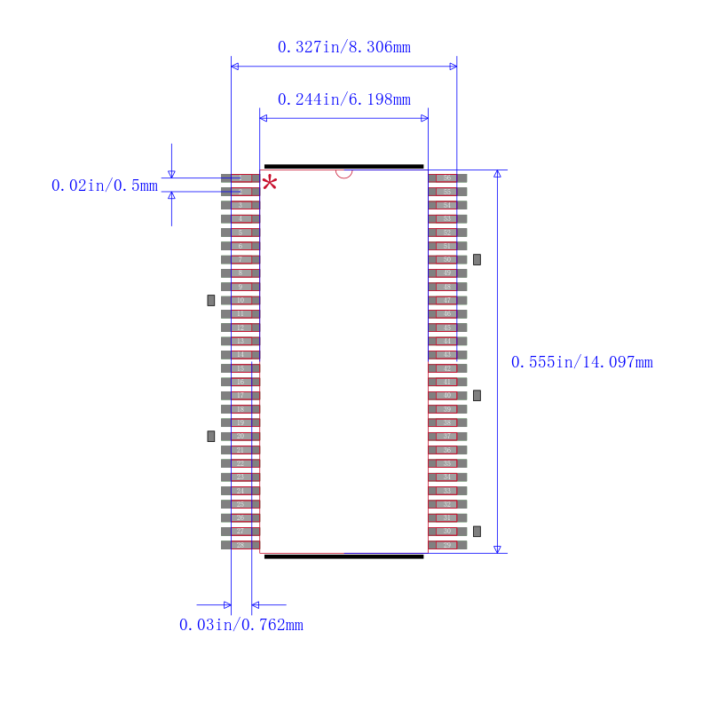
74FCT162501CTPACT 引脚图与封装图
74FCT162501CTPACT引脚图
74FCT162501CTPACT封装图
74FCT162501CTPACT封装焊盘图
品牌其他型号
74FCT162501CTPACT品牌厂家:TI
,所属分类: 半导体-逻辑集成电路-通用总线函数
,可在锐单商城现货采购74FCT162501CTPACT、查询74FCT162501CTPACT代理商; 74FCT162501CTPACT价格批发咨询客服;这里拥有
74FCT162501CTPACT中文资料
、引脚图、Datasheet数据手册、pdf功能说明书、规格参数、现货库存、封装信息、产品选型手册,还可快速找到
74FCT162501CTPACT替代型号
、
74FCT162501CTPACT数据手册PDF。









