制造商型号: |  CY74FCT2374CTSOC | 
制造商: |  TI (德州仪器) | 
产品类别: |  触发器 | 
商品描述: |  IC FF D-TYPE SNGL 8BIT 20SOIC | 
供货: |  货期 工作日(7-10天) | 
渠道: |    digikey     | 
服务: |  锐单发货及售后,顺丰快递,在线客服 | 
客服: |  |
提示: |  联系在线客服,获得更多CY74FCT2374CTSOC价格库存等采购信息! | 
TI(德州仪器) CY74FCT2374CTSOC
 
              图像仅供参考
              
请参阅产品规格   
请参阅产品规格
CY74FCT2374CTSOC 中文资料
数据手册PDF
 CY74FCT2374CTSOC 规格参数
属性
 参数值
制造商型号
 CY74FCT2374CTSOC
制造商
 TI(德州仪器)
商品描述
 IC FF D-TYPE SNGL 8BIT 20SOIC
包装
 Tube
系列
 74FCT
零件状态
 Obsolete
功能
 Standard
类型
 D-Type
输出类型
 Tri-State, Non-Inverted
元件数
 1
每元件位数
 8
时钟频率
 250MHz
不同 V,最大 CL 时的最大传播延迟
 5.2ns @ 5V, 50pF
触发器类型
 Positive Edge
电流 - 输出高,低
 15mA, 12mA
电压 - 电源
 4.75V ~ 5.25V
电流 - 静态(Iq)
 200µA
输入电容
 5pF
工作温度
 -40°C ~ 85°C (TA)
安装类型
 Surface Mount
供应商器件封装
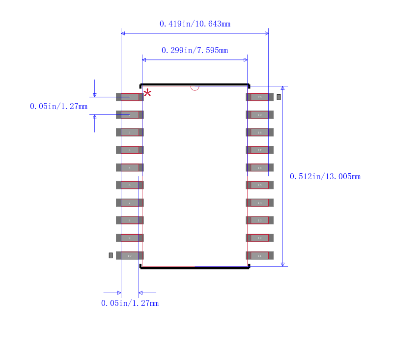
 20-SOIC
封装/外壳
 20-SOIC (0.295", 7.50mm Width)
CY74FCT2374CTSOC 引脚图与封装图
  CY74FCT2374CTSOC引脚图
  CY74FCT2374CTSOC封装图
  CY74FCT2374CTSOC封装焊盘图
品牌其他型号
    CY74FCT2374CTSOC品牌厂家:TI
     ,所属分类: 触发器
    ,可在锐单商城现货采购CY74FCT2374CTSOC、查询CY74FCT2374CTSOC代理商; CY74FCT2374CTSOC价格批发咨询客服;这里拥有 
    CY74FCT2374CTSOC中文资料
    、引脚图、Datasheet数据手册、pdf功能说明书、规格参数、现货库存、封装信息、产品选型手册,还可快速找到
     CY74FCT2374CTSOC替代型号
    、
    CY74FCT2374CTSOC数据手册PDF。
  
    









