制造商型号: | MAX3223ECDB |
制造商: | TI (德州仪器) |
产品类别: | 收发器芯片-接收器芯片-驱动器芯片 |
商品描述: | IC TRANSCEIVER FULL 2/2 20SSOP |
供货: | 货期 工作日(7-10天) |
渠道: | 国内现货 digikey |
服务: | 锐单发货及售后,顺丰快递,在线客服 |
客服: | |
提示: | 联系在线客服,获得更多MAX3223ECDB价格库存等采购信息! |
TI(德州仪器) MAX3223ECDB
图像仅供参考
请参阅产品规格
请参阅产品规格
MAX3223ECDB 中文资料
数据手册PDF
MAX3223ECDB 规格参数
关键信息
制造商 Texas Instruments
系列 -
包装 管件
产品状态 最后售卖
技术类参数
协议 RS232
驱动器-接收器数 2/2
双工 完全版
接收器滞后 500 mV
数据速率 500kbps
电源电压 3V ~ 5.5V
规格参数
工作温度 0°C ~ 70°C
物理类型
类型 收发器
其它
产品编号 MAX3223
封装参数
产品安装类型 表面贴装型
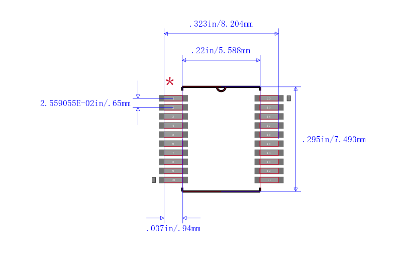
封装 20-SSOP(0.209",5.30mm 宽)
供应商器件封装 20-SSOP
MAX3223ECDB 引脚图与封装图
MAX3223ECDB引脚图
MAX3223ECDB封装图
MAX3223ECDB封装焊盘图
品牌其他型号
MAX3223ECDB品牌厂家:TI
,所属分类: 收发器芯片-接收器芯片-驱动器芯片
,可在锐单商城现货采购MAX3223ECDB、查询MAX3223ECDB代理商; MAX3223ECDB价格批发咨询客服;这里拥有
MAX3223ECDB中文资料
、引脚图、Datasheet数据手册、pdf功能说明书、规格参数、现货库存、封装信息、产品选型手册,还可快速找到
MAX3223ECDB替代型号
、
MAX3223ECDB数据手册PDF。










