无卤素状态 Halogen Free
输出接口数 16
输出电压 42 V
耗散功率 1100 mW
拓扑结构 Step-Up, Step-Down
工作温度Max 75 ℃
工作温度Min -25 ℃
耗散功率Max 1100 mW
安装方式 Surface Mount
引脚数 30
封装 HSOP-28
封装 HSOP-28
工作温度 -25℃ ~ 75℃ TA
产品生命周期 Active
包装方式 Tape & Reel TR
制造应用 Illumination Display, General Purpose Display, -, Billboard Display
RoHS标准 RoHS Compliant
含铅标准 Lead Free
LV5232VH-TLM-H引脚图
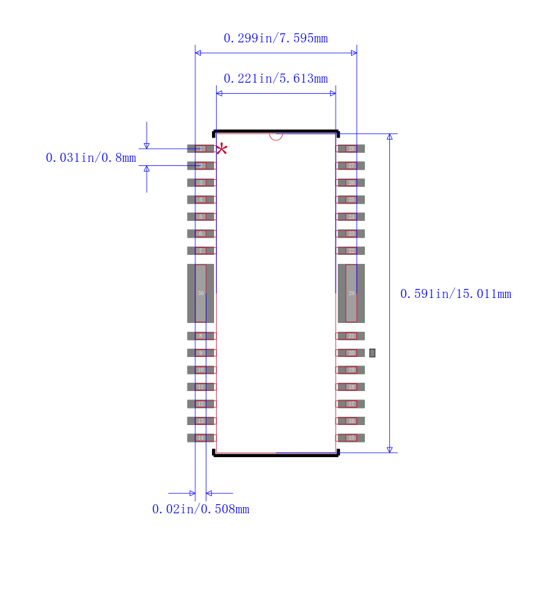
LV5232VH-TLM-H封装图
LV5232VH-TLM-H封装焊盘图
| 型号 | 制造商 | 描述 | 购买 |
|---|---|---|---|
| LV5232VH-TLM-H | ON Semiconductor 安森美 | LED Driver 10Segment 3.3V/5V 30Pin28+2Tab HSOP T/R | 搜索库存 |
| 图片 | 型号/品牌/封装 | 代替类型 | 描述 | 替代型号对比 |
|---|---|---|---|---|
| 型号: LV5232VH-TLM-H 品牌: ON Semiconductor 安森美 封装: HSOP | 当前型号 | LED Driver 10Segment 3.3V/5V 30Pin28+2Tab HSOP T/R | 当前型号 |
| 型号: LV5232VH-MPB-H 品牌: 安森美 封装: HSOP | 完全替代 | LED DRVR 10Segment 3.3V/5V 30Pin28+2Tab HSOP Fan-Fold | LV5232VH-TLM-H和LV5232VH-MPB-H的区别 |
| 型号: LV5232VHZ-MPB-H 品牌: 安森美 封装: HSOP | 完全替代 | LED照明驱动器 16CH LED DRIVER | LV5232VH-TLM-H和LV5232VHZ-MPB-H的区别 |
| 型号: LV5232VHZ-TLM-H 品牌: 安森美 封装: HSOP | 完全替代 | LED照明驱动器 16CH LED DRIVER | LV5232VH-TLM-H和LV5232VHZ-TLM-H的区别 |
