制造商型号: | MAX3316ECUP+T |
制造商: | MAXIM (美信) |
产品类别: | 收发器芯片-接收器芯片-驱动器芯片 |
商品描述: | IC TRANSCEIVER FULL 2/2 20TSSOP |
供货: | 货期 工作日(7-10天) |
渠道: | 国内现货 digikey |
服务: | 锐单发货及售后,顺丰快递,在线客服 |
客服: | |
提示: | 联系在线客服,获得更多MAX3316ECUP+T价格库存等采购信息! |
MAXIM(美信) MAX3316ECUP+T
图像仅供参考
请参阅产品规格
请参阅产品规格
MAX3316ECUP+T 中文资料
数据手册PDF
MAX3316ECUP+T 规格参数
关键信息
制造商 Analog Devices Inc./Maxim Integrated
系列 -
包装 卷带(TR)
产品状态 在售
技术类参数
协议 RS232
驱动器-接收器数 2/2
双工 完全版
接收器滞后 300 mV
数据速率 460Kbps
电源电压 2.25V ~ 3V
规格参数
工作温度 0°C ~ 70°C
物理类型
类型 收发器
其它
产品编号 MAX3316
封装参数
产品安装类型 表面贴装型
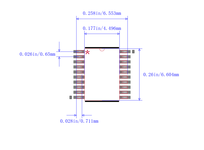
封装 20-TSSOP(0.173",4.40mm 宽)
供应商器件封装 20-TSSOP
MAX3316ECUP+T 引脚图与封装图
MAX3316ECUP+T引脚图
MAX3316ECUP+T封装图
MAX3316ECUP+T封装焊盘图
品牌其他型号
MAX3316ECUP+T品牌厂家:MAXIM
,所属分类: 收发器芯片-接收器芯片-驱动器芯片
,可在锐单商城现货采购MAX3316ECUP+T、查询MAX3316ECUP+T代理商; MAX3316ECUP+T价格批发咨询客服;这里拥有
MAX3316ECUP+T中文资料
、引脚图、Datasheet数据手册、pdf功能说明书、规格参数、现货库存、封装信息、产品选型手册,还可快速找到
MAX3316ECUP+T替代型号
、
MAX3316ECUP+T数据手册PDF。








