制造商型号: | MAX4704ETC+ |
制造商: | MAXIM (美信) |
产品类别: | 多路复用芯片-多路分解器芯片 |
商品描述: | IC MULTIPLEXER 4X1 12TQFN |
供货: | 货期 工作日(7-10天) |
渠道: | digikey |
服务: | 锐单发货及售后,顺丰快递,在线客服 |
客服: | |
提示: | 联系在线客服,获得更多MAX4704ETC+价格库存等采购信息! |
MAXIM(美信) MAX4704ETC+
图像仅供参考
请参阅产品规格
请参阅产品规格
MAX4704ETC+ 中文资料
数据手册PDF
MAX4704ETC+ 规格参数
属性
参数值
制造商型号
MAX4704ETC+
制造商
MAXIM(美信)
商品描述
IC MULTIPLEXER 4X1 12TQFN
包装
Tube
系列
-
零件状态
Obsolete
开关电路
SP4T
多路复用器/解复用器电路
4:1
电路数
1
导通电阻(最大值)
60Ohm
Channel-to-Channel Matching (ΔRon)
1Ohm
电压 - 电源,单(V+)
1.8V ~ 5.5V
电压 - 电源,双(V±)
-
开关时间(Ton, Tof)(最大值)
60ns, 20ns
-3db 带宽
200MHz
电荷注入
2pC
沟道电容 (CS(off),CD(off))
7pF
电流 - 漏泄(IS(off))(最大值)
100pA
串扰
-90dB @ 1MHz
工作温度
-40°C ~ 85°C (TA)
安装类型
Surface Mount
封装/外壳
12-WFQFN Exposed Pad
供应商器件封装
12-TQFN (3x3)
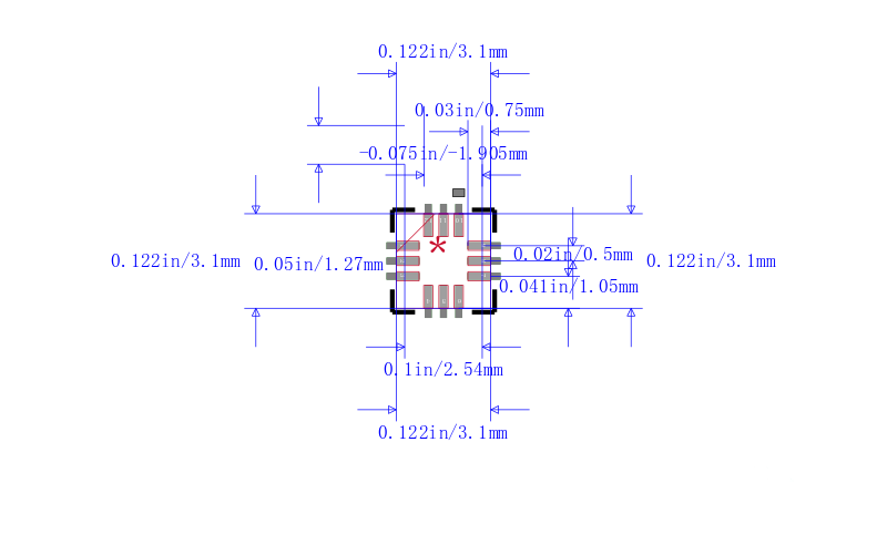
MAX4704ETC+ 引脚图与封装图
MAX4704ETC+引脚图
MAX4704ETC+封装图
MAX4704ETC+封装焊盘图
品牌其他型号
MAX4704ETC+品牌厂家:MAXIM
,所属分类: 多路复用芯片-多路分解器芯片
,可在锐单商城现货采购MAX4704ETC+、查询MAX4704ETC+代理商; MAX4704ETC+价格批发咨询客服;这里拥有
MAX4704ETC+中文资料
、引脚图、Datasheet数据手册、pdf功能说明书、规格参数、现货库存、封装信息、产品选型手册,还可快速找到
MAX4704ETC+替代型号
、
MAX4704ETC+数据手册PDF。







