制造商型号: |  MAX392EUE+T | 
制造商: |  MAXIM (美信) | 
产品类别: |  多路复用芯片-多路分解器芯片 | 
商品描述: |  IC SWITCH QUAD SPST 16TSSOP | 
供货: |  货期 工作日(7-10天) | 
渠道: |     mouser     digikey     | 
服务: |  锐单发货及售后,顺丰快递,在线客服 | 
客服: |  |
提示: |  联系在线客服,获得更多MAX392EUE+T价格库存等采购信息! | 
MAXIM(美信) MAX392EUE+T
 
              图像仅供参考
              
请参阅产品规格   
请参阅产品规格
MAX392EUE+T 中文资料
数据手册PDF
 MAX392EUE+T 规格参数
关键信息
 制造商 Analog Devices Inc./Maxim Integrated
系列 -
包装 卷带(TR)
产品状态 在售
技术类参数
 开关电路 SPST - 常开
配置 1:1
电路数 4
导通电阻(Max) 35 欧姆
通道至通道匹配 300 毫欧
电源电压 单 (V+) 3V ~ 15V
供电电压 双 (V±) ±3V ~ 8V
开关时间范围 130ns,75ns
3dB带宽 -
电荷注入 2pC
沟道电容 9pF,9pF
电流(Max) 100pA
串扰 -85dB @ 1MHz
规格参数
 工作温度 -40°C ~ 85°C(TA)
其它
 产品编号 MAX392
封装参数
 产品安装类型 表面贴装型
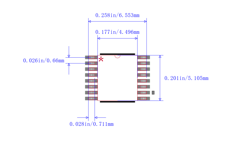
封装 16-TSSOP(0.173",4.40mm 宽)
供应商器件封装 16-TSSOP
MAX392EUE+T 引脚图与封装图
  MAX392EUE+T引脚图
  MAX392EUE+T封装图
  MAX392EUE+T封装焊盘图
品牌其他型号
    MAX392EUE+T品牌厂家:MAXIM
     ,所属分类: 多路复用芯片-多路分解器芯片
    ,可在锐单商城现货采购MAX392EUE+T、查询MAX392EUE+T代理商; MAX392EUE+T价格批发咨询客服;这里拥有 
    MAX392EUE+T中文资料
    、引脚图、Datasheet数据手册、pdf功能说明书、规格参数、现货库存、封装信息、产品选型手册,还可快速找到
     MAX392EUE+T替代型号
    、
    MAX392EUE+T数据手册PDF。
  
    





