制造商型号: | PIC16LC62B-04I/SS |
制造商: | MICROCHIP (微芯) |
产品类别: | 微控制器 |
商品描述: | IC MCU 8BIT 3.5KB OTP 28SSOP |
供货: | 货期 工作日(7-10天) |
渠道: | 国内现货 mouser digikey |
服务: | 锐单发货及售后,顺丰快递,在线客服 |
客服: | |
提示: | 联系在线客服,获得更多PIC16LC62B-04I/SS价格库存等采购信息! |
MICROCHIP(微芯) PIC16LC62B-04I/SS
图像仅供参考
请参阅产品规格
请参阅产品规格
PIC16LC62B-04I/SS 中文资料
数据手册PDF
PIC16LC62B-04I/SS 规格参数
关键信息
制造商 Microchip Technology
系列 PIC® 16C
包装 管件
产品状态 在售
技术类参数
Ruidan可编程 已验证
处理器 PIC
内核规格 8 位
速率 4MHz
连接能力 I²C,SPI
程序存储器大小 3.5KB(2K x 14)
EEPROM 容量 -
数据 RAM 大小 128 x 8
供电电压(Vcc/Vdd) 2.5V ~ 5.5V
数据转换器 -
规格参数
程序存储器类型 OTP
振荡器类型 外部
工作温度 -40°C ~ 85°C(TA)
物理类型
外设 欠压检测/复位,POR,PWM,WDT
其它
产品编号 PIC16LC62
封装参数
I/O引脚数 22
产品安装类型 表面贴装型
封装 28-SSOP(0.209",5.30mm 宽)
供应商器件封装 28-SSOP
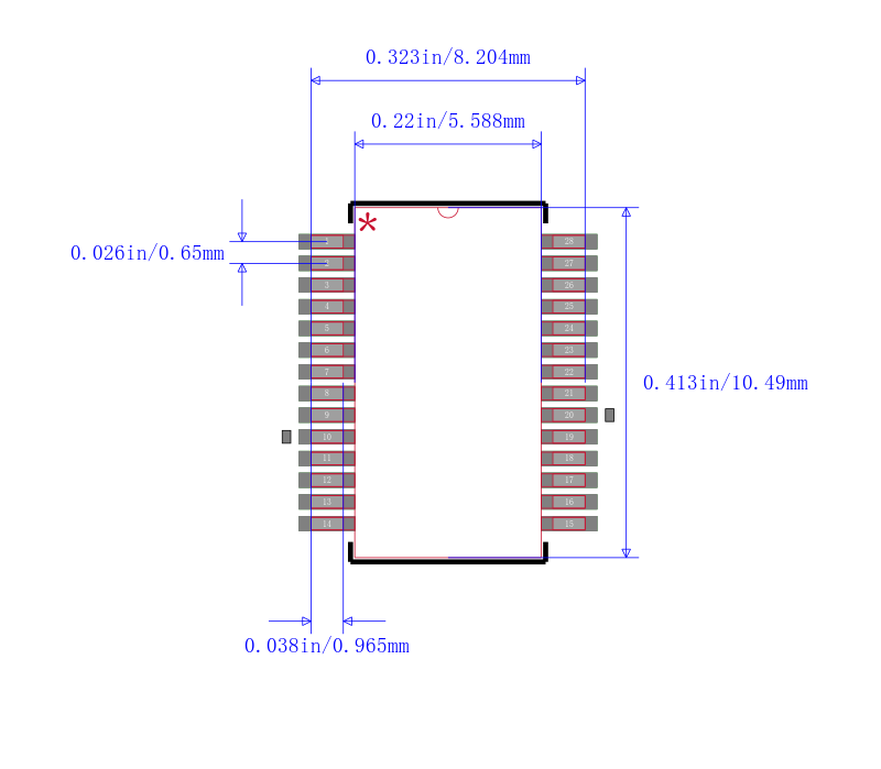
PIC16LC62B-04I/SS 引脚图与封装图
PIC16LC62B-04I/SS引脚图
PIC16LC62B-04I/SS封装图
PIC16LC62B-04I/SS封装焊盘图
品牌其他型号
PIC16LC62B-04I/SS品牌厂家:MICROCHIP
,所属分类: 微控制器
,可在锐单商城现货采购PIC16LC62B-04I/SS、查询PIC16LC62B-04I/SS代理商; PIC16LC62B-04I/SS价格批发咨询客服;这里拥有
PIC16LC62B-04I/SS中文资料
、引脚图、Datasheet数据手册、pdf功能说明书、规格参数、现货库存、封装信息、产品选型手册,还可快速找到
PIC16LC62B-04I/SS替代型号
、
PIC16LC62B-04I/SS数据手册PDF。










