制造商型号: | MAX14933AWE+ |
制造商: | MAXIM (美信) |
产品类别: | 数字隔离器 |
商品描述: | DGT ISOL 2750VRMS 2CH I2C 16SOIC |
供货: | 货期 工作日(7-10天) |
渠道: | mouser digikey |
服务: | 锐单发货及售后,顺丰快递,在线客服 |
客服: | |
提示: | 联系在线客服,获得更多MAX14933AWE+价格库存等采购信息! |
MAXIM(美信) MAX14933AWE+
图像仅供参考
请参阅产品规格
请参阅产品规格
MAX14933AWE+ 中文资料
数据手册PDF
MAX14933AWE+ 规格参数
关键信息
制造商 Analog Devices Inc./Maxim Integrated
系列 -
包装 管件
产品状态 在售
技术类参数
电源隔离 无
通道数 2
1-2输入 2/2
隔离电压 2750Vrms
瞬变抗扰度(Min) 25kV/µs(标准)
数据速率 -
传播延迟(Max) -
脉宽(Max) 65ns,95ns
上升/下降时间(范围) -
电源电压 2.25V ~ 5.5V
规格参数
技术 容性耦合
通道类型 双向
工作温度 -40°C ~ 125°C
物理类型
类型 I²C
其它
产品编号 MAX14933
封装参数
产品安装类型 表面贴装型
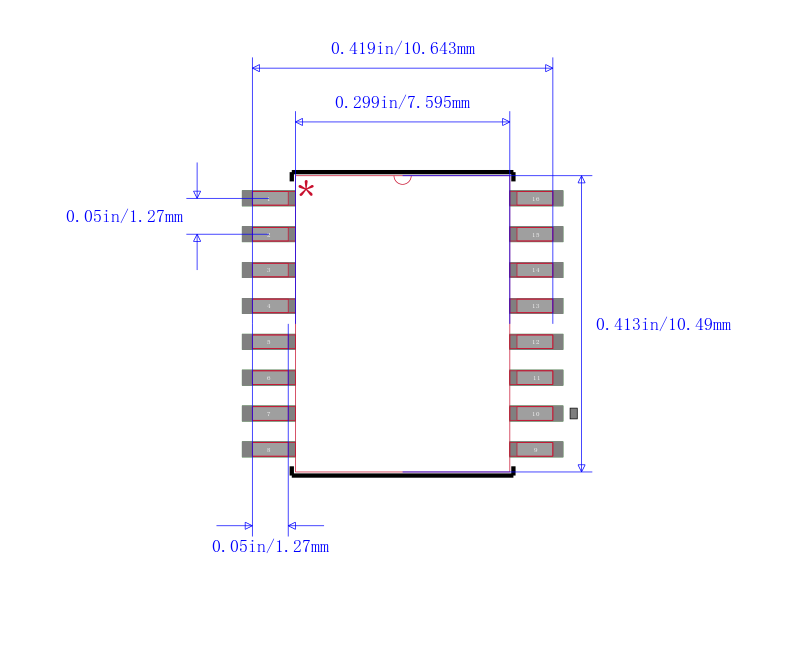
封装 16-SOIC(0.295",7.50mm 宽)
供应商器件封装 16-SOIC
MAX14933AWE+ 引脚图与封装图
MAX14933AWE+引脚图
MAX14933AWE+封装图
MAX14933AWE+封装焊盘图
库存: 322
价格(含增值税)
| 数量 | 单价 | 总价 |
|---|---|---|
| 1+ : 需询价 | ||
品牌其他型号
MAX14933AWE+品牌厂家:MAXIM
,所属分类: 数字隔离器
,可在锐单商城现货采购MAX14933AWE+、查询MAX14933AWE+代理商; MAX14933AWE+价格批发咨询客服;这里拥有
MAX14933AWE+中文资料
、引脚图、Datasheet数据手册、pdf功能说明书、规格参数、现货库存、封装信息、产品选型手册,还可快速找到
MAX14933AWE+替代型号
、
MAX14933AWE+数据手册PDF。








