输入电压DC 18.0V max
输出电压 5 V
输出电流 1 A
耗散功率 15 W
静态电流 10 mA
输入电压Max 18 V
输入电压Min 6.4 V
工作温度Max 125 ℃
工作温度Min -40 ℃
输入电压 6.4V ~ 18V
安装方式 Surface Mount
引脚数 3
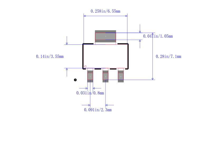
封装 SOT-223-3
长度 6.7 mm
宽度 3.7 mm
高度 1.7 mm
封装 SOT-223-3
工作温度 -20℃ ~ 125℃
产品生命周期 Obsolete
包装方式 Tube
RoHS标准 RoHS Compliant
含铅标准 Lead Free
AP1117E50G-U引脚图
AP1117E50G-U封装图
AP1117E50G-U封装焊盘图
| 型号 | 制造商 | 描述 | 购买 |
|---|---|---|---|
| AP1117E50G-U | Diodes 美台 | 低压差稳压器 LDO BI 1.0A 1.3V 12V 5.0V 5.0V FIX | 搜索库存 |
| 图片 | 型号/品牌/封装 | 代替类型 | 描述 | 替代型号对比 |
|---|---|---|---|---|
| 型号: AP1117E50G-U 品牌: Diodes 美台 封装: SOT-223 3Pin | 当前型号 | 低压差稳压器 LDO BI 1.0A 1.3V 12V 5.0V 5.0V FIX | 当前型号 |
| 型号: AP1117E50G-13 品牌: 美台 封装: SOT-223-3 5V 1A 3Pin | 完全替代 | AP1117 系列 1 A 5 V 固定模式 表面贴装 压降 稳压器 - SOT-223 | AP1117E50G-U和AP1117E50G-13的区别 |
| 型号: AZ1117EH-5.0TRG1 品牌: 美台 封装: SOT-223 | 类似代替 | AZ1117EH-5.0TRG1 编带 | AP1117E50G-U和AZ1117EH-5.0TRG1的区别 |
| 型号: AP1117E50LA 品牌: 美台 封装: | 类似代替 | Fixed Positive LDO Regulator, 5V, 1.4V Dropout, BIPolar, PDSO4, LEAD FREE, SOT-223, 3 PIN | AP1117E50G-U和AP1117E50LA的区别 |
