锐单电子商城 , 一站式电子元器件采购平台!
  • 电话:400-990-0325

RB050LAM-40TFTR

RB050LAM-40TFTR

数据手册.pdf
ROHM Semiconductor 罗姆半导体 电子元器件分类

肖特基整流器, 40 V, 3 A, 单, SOD-128, 2 引脚, 550 mV

DIODE SCHOTTKY 40V 3A PMDTM


立创商城:
40V 3A 550mV@3A


得捷:
DIODE SCHOTTKY 40V 3A PMDTM


e络盟:
肖特基整流器, 40 V, 3 A, 单, SOD-128, 2 引脚, 550 mV


艾睿:
Diode Schottky Si 40V 3A Automotive 2-Pin PMDT-M T/R


RB050LAM-40TFTR中文资料参数规格
技术参数

针脚数 2

正向电压 550mV @3A

正向电流 3 A

最大正向浪涌电流(Ifsm) 80 A

正向电压Max 550 mV

正向电流Max 3 A

工作温度Max 150 ℃

工作温度Min -55 ℃

工作结温 150℃ Max

封装参数

安装方式 Surface Mount

引脚数 2

封装 SOD-128

外形尺寸

封装 SOD-128

物理参数

材质 Silicon

其他

产品生命周期 Active

包装方式 Tape & Reel TR

符合标准

RoHS标准

含铅标准 无铅

RB050LAM-40TFTR引脚图与封装图
RB050LAM-40TFTR引脚图

RB050LAM-40TFTR引脚图

RB050LAM-40TFTR封装图

RB050LAM-40TFTR封装图

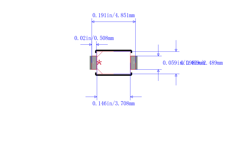
RB050LAM-40TFTR封装焊盘图

RB050LAM-40TFTR封装焊盘图

在线购买RB050LAM-40TFTR
型号 制造商 描述 购买
RB050LAM-40TFTR ROHM Semiconductor 罗姆半导体 肖特基整流器, 40 V, 3 A, 单, SOD-128, 2 引脚, 550 mV 搜索库存