电源电压 4V ~ 5.5V
安装方式 Surface Mount
封装 WFBGA-16
封装 WFBGA-16
工作温度 -40℃ ~ 85℃
产品生命周期 Active
包装方式 Tape & Reel TR
RoHS标准 RoHS Compliant
含铅标准 Lead Free
MAX3346EEBE+T引脚图
MAX3346EEBE+T封装图
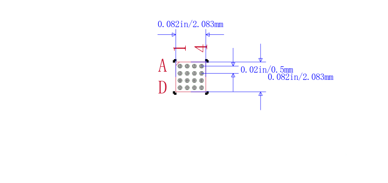
MAX3346EEBE+T封装焊盘图
| 型号 | 制造商 | 描述 | 购买 |
|---|---|---|---|
| MAX3346EEBE+T | Maxim Integrated 美信 | USB Transceiver 1TR 12Mbps 14Pin UCSP T/R | 搜索库存 |
| 图片 | 型号/品牌/封装 | 代替类型 | 描述 | 替代型号对比 |
|---|---|---|---|---|
| 型号: MAX3346EEBE+T 品牌: Maxim Integrated 美信 封装: 16-WFBGA | 当前型号 | USB Transceiver 1TR 12Mbps 14Pin UCSP T/R | 当前型号 |
| 型号: MAX3346EEUD+ 品牌: 美信 封装: TSSOP 14Pin 4V 12Mbps | 类似代替 | USB TRANSCEIVER, ESD, 12Mbps, TSSOP-14; USB Type:USB Transceiver; USB Standard:USB 2.0; Supply Voltage Min:4V; Supply Voltage Max:5.5V; Interface Case Style:TSSOP; No. of Pins:14; Data Rate:12Mbps; No. of Ports:1; Operating ;RoHS Compliant: Yes | MAX3346EEBE+T和MAX3346EEUD+的区别 |
