MAX3243CAI+T
数据手册.pdfMaxim Integrated(美信)
电子元器件分类
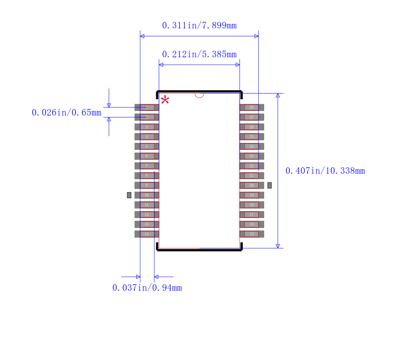
MAXIM INTEGRATED PRODUCTS MAX3243CAI+T 芯片, RS232 收发器, 120KBPS, 5.5V, SSOP-28
The is a 3V to 5.5V RS232 transceiver with AutoShutdown in 28 pin SSOP package. Whenever the device does not sense a valid signal level on the receiver inputs, the onboard power supply and driver turns to shut down. This occurs if the RS232 cable is disconnected or if the transmitters of the connected peripheral are turned off. The system turns on again when a valid level is applied to any RS232 receiver input. It requires only 0.1µF capacitors in 3.3V operation. The high efficiency, dual charge pump power supply and a low dropout transmitter combine to deliver true RS232 performance from a single +3V to +5.5V supply.
- .
- Three drivers & five receivers with a complementary always-active receiver for external monitoring
- .
- Operating temperature range from 0°C to 70°C
- .
- AutoShutdown feature enabled after no activity on receiver input for 30µs
- .
- Supply current is 1µA in shutdown mode
- .
- Software control option for shutdown
- .
- Integrated charge pump circuitry eliminates need of ±12 supply & operates in single 3.3V/5V supply
