电源电压DC 4.75V min
供电电流 40.0 µA
耗散功率 0.471 W
阈值电压 4.65 V
复位电压Min 4.5 V
复位电压Max 4.75 V
工作温度Max 70 ℃
工作温度Min 0 ℃
耗散功率Max 471 mW
电源电压Max 5.5 V
电源电压Min 4.75 V
安装方式 Surface Mount
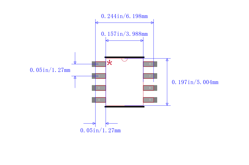
引脚数 8
封装 SOIC-8
长度 4.9 mm
宽度 3.9 mm
高度 1.65 mm
封装 SOIC-8
工作温度 0℃ ~ 70℃ TA
产品生命周期 Obsolete
包装方式 Tube
RoHS标准 RoHS Compliant
含铅标准 Lead Free
SP705CN-L引脚图
SP705CN-L封装图
SP705CN-L封装焊盘图
| 型号 | 制造商 | 描述 | 购买 |
|---|---|---|---|
| SP705CN-L | Exar Corporation 艾科嘉 | EXAR ### 微处理器电源电压监控和复位电路 电源电压监测和监控电路,用于台式机、便携式计算机和笔记本电脑、测试和测量仪器、便携式电池供电设备和多输出电源。 电源电压探测器 电源电压监控器 电源监控器 微处理器监控 微处理器电压监控器 微控制器复位电路 | 搜索库存 |
| 图片 | 型号/品牌/封装 | 代替类型 | 描述 | 替代型号对比 |
|---|---|---|---|---|
| 型号: SP705CN-L 品牌: Exar Corporation 艾科嘉 封装: SOIC 4.75V 8Pin | 当前型号 | EXAR### 微处理器电源电压监控和复位电路电源电压监测和监控电路,用于台式机、便携式计算机和笔记本电脑、测试和测量仪器、便携式电池供电设备和多输出电源。电源电压探测器 电源电压监控器 电源监控器 微处理器监控 微处理器电压监控器 微控制器复位电路 | 当前型号 |
| 型号: SP705CN-L/TR 品牌: 艾科嘉 封装: SOIC-8 | 完全替代 | EXAR### 微处理器电源电压监控和复位电路电源电压监测和监控电路,用于台式机、便携式计算机和笔记本电脑、测试和测量仪器、便携式电池供电设备和多输出电源。电源电压探测器 电源电压监控器 电源监控器 微处理器监控 微处理器电压监控器 微控制器复位电路 | SP705CN-L和SP705CN-L/TR的区别 |
| 型号: STM705M6F 品牌: 意法半导体 封装: SOIC 5.5V 8Pin | 功能相似 | STM705 系列 4.63 V 140 ms 表面贴装 监控器 - SOIC-8 | SP705CN-L和STM705M6F的区别 |
| 型号: TPS3705-50DRG4 品牌: 德州仪器 封装: SOIC 4.55V 2V 8Pin | 功能相似 | 处理器监控电路,带有电源失效 PROCESSOR SUPERVISORY CIRCUITS WITH POWER-FAIL | SP705CN-L和TPS3705-50DRG4的区别 |
