锐单电子商城 , 一站式电子元器件采购平台!
  • 电话:400-990-0325

MAX5216BGUA+T

MAX5216BGUA+T

数据手册.pdf

DAC 1CH Segment 16Bit 8Pin uMAX T/R

16 位 1 8-uMAX-EP|8-uSOP-EP


得捷:
IC DAC 16BIT V-OUT 8UMAX


MAX5216BGUA+T中文资料参数规格
技术参数

位数 16

工作温度Max 105 ℃

工作温度Min -40 ℃

耗散功率Max 387 mW

数模转换数DAC 1

封装参数

安装方式 Surface Mount

封装 uMAX-8

外形尺寸

封装 uMAX-8

物理参数

工作温度 -40℃ ~ 105℃

其他

产品生命周期 Active

包装方式 Tape & Reel TR

符合标准

RoHS标准 RoHS Compliant

含铅标准 Lead Free

MAX5216BGUA+T引脚图与封装图
MAX5216BGUA+T引脚图

MAX5216BGUA+T引脚图

MAX5216BGUA+T封装图

MAX5216BGUA+T封装图

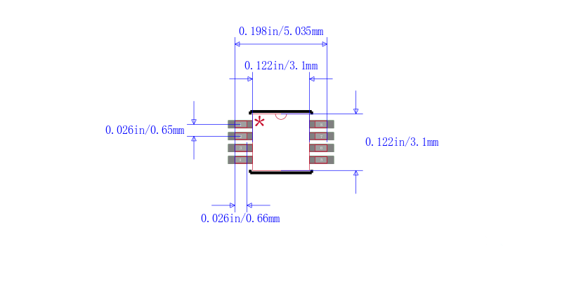
MAX5216BGUA+T封装焊盘图

MAX5216BGUA+T封装焊盘图

在线购买MAX5216BGUA+T
型号 制造商 描述 购买
MAX5216BGUA+T Maxim Integrated 美信 DAC 1CH Segment 16Bit 8Pin uMAX T/R 搜索库存
替代型号MAX5216BGUA+T
图片 型号/品牌/封装 代替类型 描述 替代型号对比

型号: MAX5216BGUA+T

品牌: Maxim Integrated 美信

封装: UMAX-8

当前型号

DAC 1CH Segment 16Bit 8Pin uMAX T/R

当前型号

型号: MAX5216BGUA+

品牌: 美信

封装: µMAX 16Bit 8Pin

类似代替

MAXIM INTEGRATED PRODUCTS  MAX5216BGUA+  数模转换器, 轨至轨缓冲输出, 16 bit, 串行, 2.7V 至 5.5V, µMAX, 8 引脚

MAX5216BGUA+T和MAX5216BGUA+的区别