MC78PC33NTR中文资料参数规格
技术参数
额定电流 150 mA
输入电压DC 9.00V max
输出电压 3.3 V
输出电流 150 mA
输入电压 ≤8 V
封装参数
安装方式 Surface Mount
引脚数 5
封装 TSOT-23-5
外形尺寸
封装 TSOT-23-5
物理参数
工作温度 -40℃ ~ 85℃
其他
产品生命周期 Unknown
包装方式 Tape & Reel TR
符合标准
RoHS标准 Non-Compliant
含铅标准 Contains Lead
MC78PC33NTR引脚图与封装图
MC78PC33NTR引脚图
MC78PC33NTR封装图
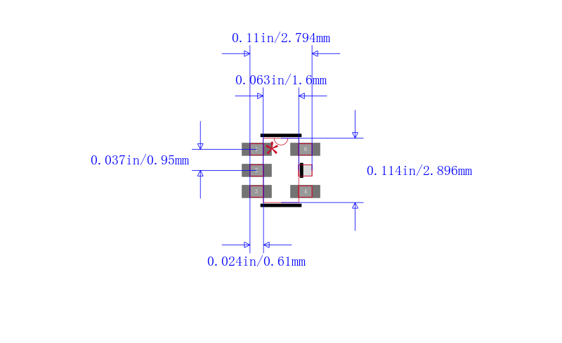
MC78PC33NTR封装焊盘图
在线购买MC78PC33NTR
| 型号 | 制造商 | 描述 | 购买 |
|---|---|---|---|
| MC78PC33NTR | ON Semiconductor 安森美 | 低噪声150毫安低压降( LDO )线性稳压器 Low Noise 150 mA Low Drop OutLDO Linear Voltage Regulator | 搜索库存 |
替代型号MC78PC33NTR
| 图片 | 型号/品牌/封装 | 代替类型 | 描述 | 替代型号对比 |
|---|---|---|---|---|
| 型号: MC78PC33NTR 品牌: ON Semiconductor 安森美 封装: SOT-23 3.3V 150mA 5Pin | 当前型号 | 低噪声150毫安低压降( LDO )线性稳压器 Low Noise 150 mA Low Drop OutLDO Linear Voltage Regulator | 当前型号 |
| 型号: MC78PC33NTRG 品牌: 安森美 封装: SOT-23 3.3V 150mA 5Pin | 完全替代 | ON SEMICONDUCTOR MC78PC33NTRG 固定电压稳压器, LDO, 4.3V至9V, 200mV压差, 3.3V输出, 150mA输出, SOT-23-5 | MC78PC33NTR和MC78PC33NTRG的区别 |
