锐单电子商城 , 一站式电子元器件采购平台!
  • 电话:400-990-0325

MAX8785ETI+

MAX8785ETI+

数据手册.pdf
Maxim Integrated(美信) 电子元器件分类

显示驱动器和控制器 Full-Bridge CCFL Controller

CCFL Controller Controller 57kHz ~ 63kHz Yes 28-TQFN 5x5


得捷:
IC CCFL CNTRL 63KHZ 28TQFN


贸泽:
显示驱动器和控制器 Full-Bridge CCFL Controller


MAX8785ETI+中文资料参数规格
技术参数

频率 57kHz ~ 63kHz

供电电流 1.5 mA

电源电压 4.5V ~ 28V

封装参数

安装方式 Surface Mount

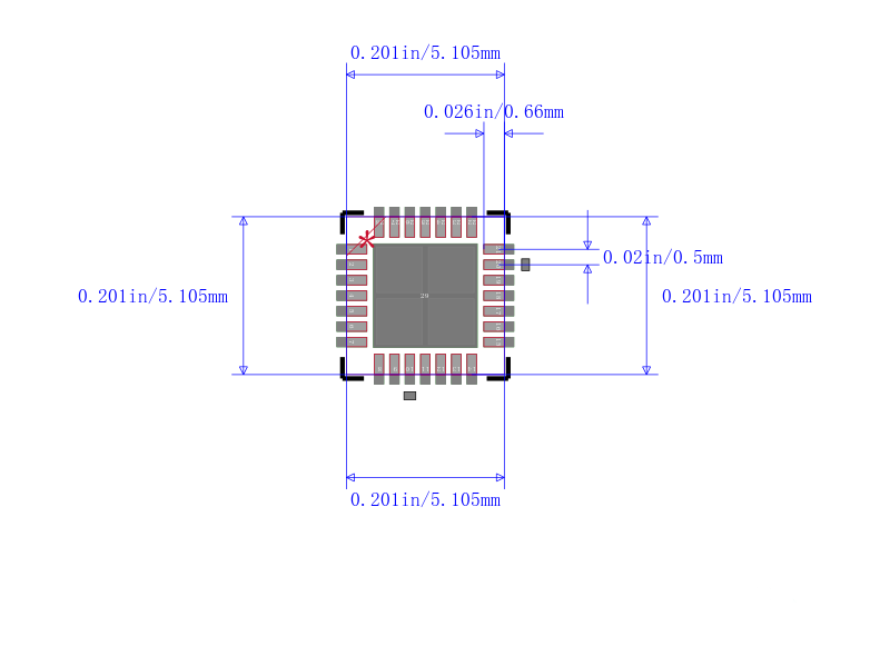
封装 WFQFN-28

外形尺寸

封装 WFQFN-28

物理参数

工作温度 -40℃ ~ 85℃

其他

产品生命周期 Unknown

包装方式 Tube

符合标准

RoHS标准 RoHS Compliant

含铅标准 Lead Free

MAX8785ETI+引脚图与封装图
MAX8785ETI+引脚图

MAX8785ETI+引脚图

MAX8785ETI+封装图

MAX8785ETI+封装图

MAX8785ETI+封装焊盘图

MAX8785ETI+封装焊盘图

在线购买MAX8785ETI+
型号 制造商 描述 购买
MAX8785ETI+ Maxim Integrated 美信 显示驱动器和控制器 Full-Bridge CCFL Controller 搜索库存