锐单电子商城 , 一站式电子元器件采购平台!
  • 电话:400-990-0325

LT1166CS8
Linear Technology 凌力尔特 主动器件
LT1166CS8中文资料参数规格
技术参数

输出接口数 2

封装参数

安装方式 Surface Mount

引脚数 8

封装 SO-8

外形尺寸

高度 1.75 mm

封装 SO-8

其他

产品生命周期 Unknown

包装方式 Tube

符合标准

RoHS标准 Non-Compliant

含铅标准 Contains Lead

LT1166CS8引脚图与封装图
LT1166CS8引脚图

LT1166CS8引脚图

LT1166CS8封装图

LT1166CS8封装图

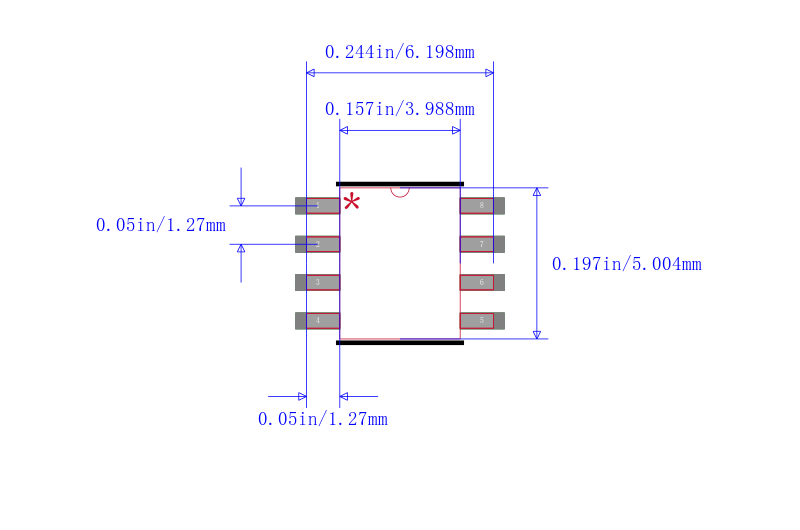
LT1166CS8封装焊盘图

LT1166CS8封装焊盘图

在线购买LT1166CS8
型号 制造商 描述 购买
LT1166CS8 Linear Technology 凌力尔特 门驱动器 LT1166 - Power Output Stage Automatic Bias System 搜索库存
替代型号LT1166CS8
图片 型号/品牌/封装 代替类型 描述 替代型号对比

型号: LT1166CS8

品牌: Linear Technology 凌力尔特

封装: SO 8Pin

当前型号

门驱动器 LT1166 - Power Output Stage Automatic Bias System

当前型号

型号: LT1166CS8#PBF

品牌: 凌力尔特

封装: SO 14V 8Pin

功能相似

Driver 0.05V 1Out Non-Inv 8Pin SOIC N Tube

LT1166CS8和LT1166CS8#PBF的区别