L2293QTR
数据手册.pdfMOSFET DRVR 1.2A 4Out H Brdg Non-Inv 32Pin VFQFPN EP T/R
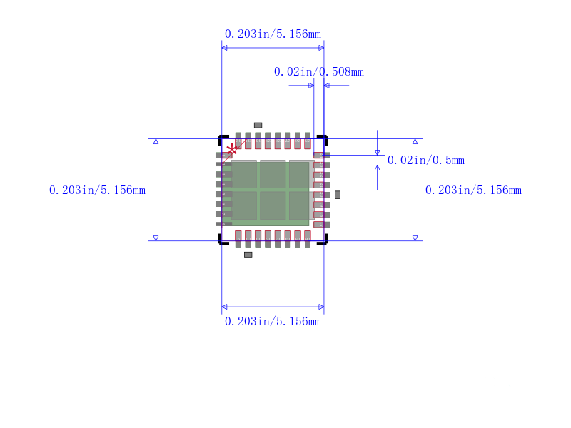
半桥(4) 驱动器 DC 电机,继电器,螺线管,步进电机 32-VFQFPN(5x5)
得捷:
IC BRIDGE DRIVER ON/OFF 32VFQFPN
立创商城:
L2293QTR
e络盟:
NEW 4 CHANNEL DRIVER
艾睿:
With this bridge driver L2293QTR stepper motor driver by STMicroelectronics, easily automate a wide variety of machines such as hydraulic pumps and linear actuators. This device has a minimum operating supply voltage of 2.8 V and a maximum of 36 V. This motor controller has a minimum operating temperature of -20 °C and a maximum of 125 °C.
安富利:
MOSFET DRVR 1.2A 4-OUT H Brdg Non-Inv 32-Pin VFQFPN EP T/R
DeviceMart:
IC DVR 4CH PP W/DIODES 32VFQFPN
