制造商型号: |  R5F21321CDSP#W4 | 
制造商: |  INTERSIL/RECTIFIER (瑞萨) | 
产品类别: |  微控制器 | 
商品描述: |  IC MCU 16BIT 4KB FLASH 20LSSOP | 
供货: |  货期 工作日(7-10天) | 
渠道: |    digikey     | 
服务: |  锐单发货及售后,顺丰快递,在线客服 | 
客服: |  |
提示: |  联系在线客服,获得更多R5F21321CDSP#W4价格库存等采购信息! | 
INTERSIL/RECTIFIER(瑞萨) R5F21321CDSP#W4
 
              图像仅供参考
              
请参阅产品规格   
请参阅产品规格
R5F21321CDSP#W4 中文资料
数据手册PDF
 R5F21321CDSP#W4 规格参数
关键信息
 制造商 Renesas Electronics America Inc
系列 R8C/3x/32C
包装 卷带(TR)
产品状态 在售
技术类参数
 Ruidan可编程 未验证
处理器 R8C
内核规格 16 位
速率 20MHz
连接能力 I²C,LINbus,SIO,SSU,UART/USART
程序存储器大小 4KB(4K x 8)
EEPROM 容量 4K x 8
数据 RAM 大小 512 x 8
供电电压(Vcc/Vdd) 1.8V ~ 5.5V
数据转换器 A/D 4x10b
规格参数
 程序存储器类型 闪存
振荡器类型 内部
工作温度 -40°C ~ 85°C(TA)
物理类型
 外设 POR,PWM,电压检测,WDT
其它
 产品编号 R5F21321
封装参数
 I/O引脚数 15
产品安装类型 表面贴装型
封装 20-LSSOP(0.173",4.40mm 宽)
供应商器件封装 20-LSSOP
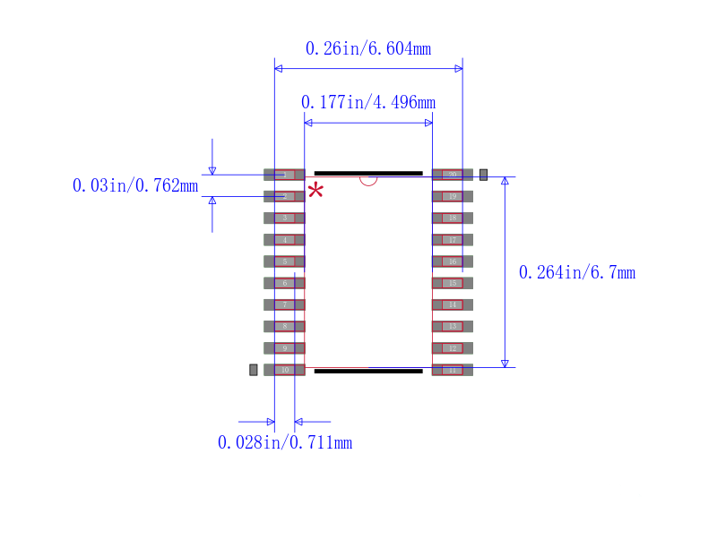
R5F21321CDSP#W4 引脚图与封装图
  R5F21321CDSP#W4引脚图
  R5F21321CDSP#W4封装图
  R5F21321CDSP#W4封装焊盘图
品牌其他型号
    R5F21321CDSP#W4品牌厂家:INTERSIL/RECTIFIER
     ,所属分类: 微控制器
    ,可在锐单商城现货采购R5F21321CDSP#W4、查询R5F21321CDSP#W4代理商; R5F21321CDSP#W4价格批发咨询客服;这里拥有 
    R5F21321CDSP#W4中文资料
    、引脚图、Datasheet数据手册、pdf功能说明书、规格参数、现货库存、封装信息、产品选型手册,还可快速找到
     R5F21321CDSP#W4替代型号
    、
    R5F21321CDSP#W4数据手册PDF。
  
    









